28.(16分)双酚-A的二甲基丙烯酸酯是一种能使人及动物的内分泌系统发生紊乱,导致生育及繁殖异常的环境激素,其结构简式为:

 它在一定条件下水解可生成双酚-A和羧酸H两种物质。

   已知与       结构相似的醇不能被氧化为醛或酸。羧酸H可以由以下途径制得:

 

 (1)双酚-A的分子式为     ;下列关于它的叙述中正确的是   (填写字母)。

   A.与苯酚互为同系物        

B.可以和Na2CO3溶液反应,放出CO2气体

C.分子中所有碳原子可能在同一平面上 

D.与浓溴水反应,最多可消耗4mol Br2

(2)下列物质中与双酚-A互为同分异构体的是        (填写字母)。

 

   A.                  B.

   C.                  D.

   (3)C的结构简式          ,其名称为            

   (4)G中所含官能团为       (填名称),⑤的反应类型为      

(5)反应③的化学方程式为                      

   (6)羧酸H与甲醇反应后得到的酯,能形成一种高分子化合物,可用于制造高级光学仪器透镜,请写出该酯在一定条件下生成此高分子化合物的化学反应方程式:

                                     

13.有下列五个化学方程式(X、Y、Z均为正值):

    ①C2H2(g)+H2(g)   C2H4(g)

20070515
 
    ②CH4(g)    H2(g)+C2H4(g)

    ③C(s)+2H2(g)   CH4(g);△H=-X kJ·mol-1

    ④C(s)+H2(g)    C2H2(g);△H=-Y kJ·mol-1

    ⑤C(s)+H2(g)    C2H4(g);△H=-Z kJ·mol-1

    当温度下降时①式平衡向右移动,②式平衡向左移动。据此判定③-⑤式中关于X、Y、Z的大小顺序排列正确的是   (   )

    A.X>y>Z        B.X>Z>Y        C.Y>X>Z        D.Z>X>Y

第Ⅱ卷(非选择题)

26(18分)某同学用下列装置制备并检验Cl2的性质。

 

 (1)I图圆底烧瓶中反应的化学方程式是                  

(2)II图中褪色的是    (填a或b),烧杯中反应的离子方程式是      

                       

(3)①将Cu丝换成Fe丝,做III实验,结果也能点燃,你认为Fe丝也可点燃的理由

     

a.Fe与Cu都是金属元素      b.Fe的熔点比Cu高

    c.Fe的密度比Cu小         d.Fe的金属性比Cu强

②通常由燃烧产物(FeCl3)­配制其溶液的方法                  

                                    

(4)将IV装置放置在光亮的地方(日光没有直接照射),一会儿后,观察到量筒壁上有油状液滴生成,饱和食盐水中有少量固体析出,量筒内黄绿色气体颜色变浅 ,量筒内液面上升等。

1油状液滴的成分可能是(写分子式)       

2水槽用饱和食盐水而不用水的原因是_________________________________。

3饱和食盐水中有少量固体析出,其原因是_____________________________。

(5)将硫酸溶液滴入II图烧杯中,至溶液显酸性,结果也有Cl2生成,该反应的离子方程式

                              

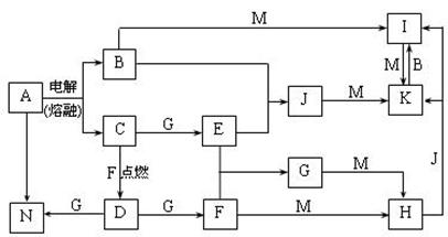
27(13分)A-N均为中学化学中的常见物质,其中A是日常生活中不可缺少的物质,也是化工生产上的重要原料,单质M是目前使用量最大的金属,常温下B、E、F为气体,G为无色液体,这些物质在一定条件下存在如下转化关系,其中有些反应物或生成物已经略去。回答下列问题:

⑴H的化学式为________。

⑵工业上用A制取N的化学反应方程式为________________________________。

⑶D与G反应的离子方程式为_______________________________________。

⑷I可用于净化水,其原因是______________________________________________。

⑸用电子式表示J的形成过程:____________________________________________

 0  37568  37576  37582  37586  37592  37594  37598  37604  37606  37612  37618  37622  37624  37628  37634  37636  37642  37646  37648  37652  37654  37658  37660  37662  37663  37664  37666  37667  37668  37670  37672  37676  37678  37682  37684  37688  37694  37696  37702  37706  37708  37712  37718  37724  37726  37732  37736  37738  37744  37748  37754  37762  447348 

违法和不良信息举报电话:027-86699610 举报邮箱:58377363@163.com

精英家教网