3.如图4-41所示为电压表的表盘示数。

   (1)当把A、B接线柱接入电路时,电压表的读数为  1.2  伏;

   (2)当把A、C接线柱接入电路时,电压表的读数为  6  伏。

   [课时小结]

重点:电压的概念,电压表的正确使用。

难点:电压与水压、电流与水流的类比,电压

   与电流的关系。

课外同步训练

   [基础过关]

   1.电源电压是使电路中  自由电子  发生定向移动形成  电流  的原因,通常用符号  U  表示电压,单位是  伏特  ,单位的符号是  V 

   2.有关电路中电压和电流关系的说法中,不正确的是   (  A  )

   A.电路中有电压,一定形成电流

   B.电路中有电流,必须要有电压

   C.电路中没有电压,一定没有电流形成

   D.电路中没有电流,可能有电压  

   3.测量电源两端的电压时,必须把  电压表跟电源  并  联,并且把电压表的“  +  ”接线柱接在电源  正  极那端。

   4.实验室中最常见的电压表有  3  个接线柱,  2  个量程,分别为  0-3  伏和  0-15伏,一大格分别表示  1  伏和  5  伏,最小刻度值分别表示  0.1  伏和  0.5  伏。

   [深化提高]

   5.电子手表用的氧化银电池三只串联的电压是3伏,手机锂电池的电压是3600毫伏,比较两者的电压大小为   (  B  )

   A.手表电池高   B.手机电池高   C. 一样高   D.无法比较

   6.如图4-42所示的电路中,电压表测量的电压是   (  B  )

   A.灯L1的电压   D.灯L2的电压   C. 灯L1、L2的电压   D.都不是

   7.某同学用0-3伏的接线柱测量灯两端的电压值,如图4-43,但刻度盘上只有0-15伏的刻度值,根据指针的位置,测出灯两端的电压值为  0.8  伏。

 

4.6  电压的测量

学习目标

   1.知道电压是使电路中产生持续电流的推动力(类比水压)。

课堂学习设计

   2.知道常见的一些电压值。

   3.学会电压表的使用。

   4.会正确读出电压表的读数。

   [科学探究]

   [引入课题]  1.金属导体导电的原因:金属导体内部有大量的  自由电荷(电子) 

   2.电路中在没有电源接入时,这些电荷并  不能  产生定向移动,不能形成  电流 

   3.当电路中接入电源时,导体中的自由电子便在  电源  推动作用下做定向移动,形成  电流 

   [新课教学]  电流的形成与水流的形成很相似,可以由图4-39(a)(b)相类比。

   图(a)中水流的形成是由于抽水机给水流提供能量,抽水机的工作使水路存在一个稳定的水压,从而保证水流得以持续。图(b)中电源作用与图a中的抽水机作用类似。电源的作用,是给电路中的电流提供能量,使电路存在一个稳定的  电压  ,从而保证  电流  得以持续。

   电源两端有电压是金属导体中存在  电流的必要条件。

   一、电压

   用字母  U  表示。

   单位是  伏特  ,简称  伏  ,用符号  V表示。

   常用的单位还有  千伏  (kV)、  毫伏(mV)、  微伏  (μV)。  

   其关系式有:1千伏=  103  伏。

   1伏=  103  毫伏。

   1毫伏=  103  微伏。

   电压的单位是为了纪念  意大利  著名的物理学家  伏打  而命名的,  伏打电池  是伏打于1800年制成的世界上第一个电池。

下表是常见的一些电压值。  

一节普通于电池
1.5伏
一个电子表电池
1.5伏
一只蓄电池
2伏
对人体的安全电压
≤36伏
家庭照明电路
220伏
大型发电机
(0.63-1.8)×104
闪电时云层间的电压
达109

2.结构图4-29和电路图4-30。

  

   3.原理:滑动变阻器中的线圈是用电阻率较大的合金线制成。改变合金线的  有效长度  ,就可以改变  电阻  大小,从而改变  电流  大小。

   4.使用:(1)与用电器  串联  在电路中使用;(2)接线时接线柱应“  一上一下  ”连接;(3)闭合开关前,滑片P应移到  最大值  位置。

   [实验]  连接如图4-31电路图,把滑动变阻器接线分别连接在M、N两点,闭合开关,移动滑片户,观察灯的亮度和电流表示数。

   1.当C和D接入M、N点时,亮度  不变且最亮。原因:  电阻为零 

   2.当A和B接入M、N点时,亮度  不变且最暗。原因:  电阻是最大值不变 

   3.当B和C或B和D接入M、N点时,滑片P向

右移动,亮度  变亮  ,电流表示数  变大  ,原因:  电阻变小 

   4,当A和D或A和C接入M、N点时,滑片P向右移动,亮度  变暗  ,电流表示数  变小  ,原因:  电阻变大 

   二、旋钮型变阻器

   应用:收音机的音量开关,电扇的变速开关,台灯的调光开关。

   原理:与滑动变阻器的原理  相同 

   [课内练习]

   1.如图4-32所示的滑动变阻器,其最大阻值是50欧,接线柱A和D连入电路中,若要使电阻减小,滑动触头P应向  左  端移动。如果P在最左端,则电阻值为  0  欧。如果P在最右端,则电阻值为  50  欧。

   2.上图中,如果RAE=20欧,则REB 30欧,RAC 20  欧,RBD 30  欧。如果E是中点,则RAE 25  欧,REB 25  欧。

   [课时小结]

   重点:滑动变阻器的构造、原理、使用。

   难点:滑动变阻器的连接。

课外同步训练

   [基础过关]

   1.滑动变阻器是可变电阻,其改变电阻的原理是   (  B  )

   A.改变电阻丝的横截面积

   B.改变电阻丝连人电路的长度

   C. 滑片跟电阻丝发生摩擦

   D.改变接线柱中的导线连接

   2.如图4-33的滑动变阻器在电路中使用,连接方式共有  6  种,其中  4  种是正确的,错误的连接方式是  C和D    A和B  。  

   3.上题图中,如果B和C连接,当滑片P向右移动时,移动变阻器的电阻值  变小  。如果当滑片P向左移动电阻变大时,则应把  B和C   B和D  连入电路。

   4.如图4-34是能调节电灯亮度的电路图,要使电灯变暗,滑片P应   (  B  )

   A.向a端移动   B.向b端移动   C. 在b点不动   D.在中间不动

   [深化提高]

   5.图4-35中的四个图为滑动变阻器连入电路的几种情况,当滑片P向左移动时,使连入电路中的电阻变大的是   (  A  )

   6.如图4-36所示,两个滑动变阻器串联连入电路中,要使电阻中的电阻最大,则变阻器滑片应   (  B  )

   A. P1在B1,P2在B2   B.P1在A1,P2在B2

   C.P1在A1,P2在A2   D.P1在B1,P2在A2

   7.如图4-37所示电路,在开关S闭合前,滑动变阻器的滑片P应在  b  端。闭合开关S,当滑片P向左移动时,滑动变阻器连入电路的电阻变  小  ,观察到电流表的示数变  大 

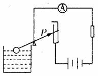
   8.如图4-38表示一种汽车上自动测定油箱内油面高度的装置,P是滑动变阻器,它的金属滑片是杠杆的一端,从油量表(电流表改装而成)指针所指的刻度,就可以知道油箱内油面的高度。’请说明它的电学工作原理。

   [答]  当油面上升时,浮球上升,滑片P向下滑动,滑动变阻器电阻变小,电流变大,电流表示数变大,油量表示数变大。

第7课时

4.5  变阻器的使用

学习目标

   1.认识各种定值电阻实物,知道生活中使用的变阻器。

   2.理解滑动变阻器改变电阻的原理。

   3.知道并画出滑动变阻器的结构示意图和符号。

   4.能正确连接和使用滑动变阻器。

课堂学习设计

  [引入课题]  在生产、生活和实验中,经常要用到具有一定阻值的电阻元件--电阻器,简称电或定值电阻。如R=10欧,R=5欧,定值电阻的符号是-     -,定值电阻的作用是  控制  电路中的  电流  大小。

   由于实际情况的需要,常常有以下实例:

   [实例1l  台灯调光器来调节灯泡的亮度。

   [实例2]  电车变速器来控制电车的行驶速度。

   [实例3]  变速开关来调节电扇的转速。

   [实例4]  音量开关来调节录音机、电视机或电话机的音量。

   要实现上述目的,只要改变电路中的  电流大小就行。而电路中的电流大小的改变,则可以通过改变  电阻  大小来实现。

   [新课教学]  从上一节课知道,改变导体电阻大小的方法有改变  材料  、  长度  、  粗细  和  温度  。而最方便的是改变导体的长度  。

   一、滑动变阻器

   靠改变接入电路中的电阻丝的  有效长度来改变  电阻  大小的装置。

   1.结构:图4-28为滑动变阻器实物图,结构的名称:A  瓷筒  ,B  线圈  ,C  金属杆  ,D  接线柱  ,P  滑动触头(滑片) 

4.4  影响导体电阻大小的因素

学习目标

   1.能猜测并分析影响导体电阻的一些因素。

   2.知道在与一个物理量相关因素较多时,能用控制变量法进行实验方案的设计。

   3.能定性地得出导体电阻与长度、粗细和材料间的关系。

   4.知道并设计实验探究金属导体的电阻与温度间的关系。

课堂学习设计

   [科学探究]

   [复习引题)

   1.各种不同材料的导电能力是  不同的 

   2.不同导体的电阻大小也是  不同的  。

   [科学猜想]

   1.导体的电阻大小与导体的材料有关。

   2.导体的电阻大小与导体的长度有关。

   3.导体的电阻大小与导体的横截面积(粗细)有关。

   4.导体的电阻大小与导体的温度有关。

   从上可知,影响导体电阻大小的因素可能有  材料    粗细    长度  、  温度 

   为了证明以上猜测的正确性,设计实验进行探究。

   [实验探究]

   控制变量法--当有几个因素同时影响一个物理量的变化时,常采用控制变量法即让某几个因素不变,研究某个因素对一个量的影响程度。

   [实验方案]

   1。探究导体电阻与长度的关系。

   控制的不变量有  材料  、  粗细   温度 

   在图4-27中的“、白两点间,分别接入长度不同的镍铬导体甲、乙(导体甲长度为1米,导体乙长度为0.5米)。闭合开关S,观察灯的亮度及电流表示数,填入

表一。

导体
灯的亮度
电流表示数
电阻大小
甲(1米)



乙(0.5米)



   实验结果:  材料、粗细相同的导体,长度越大,电阻较大 

   2.探究导体电阻与粗细的关系。

   控制的不变量有  材料    长度   温度 

在图4-27中的a、b点间,分别接入粗细不同的镍铬导体甲、乙(甲横截面积为0.5毫米2,乙横截面积为1毫米2)。闭合开关S,观察灯的亮度及电流表的示数,填入表二。

导体
灯的亮度
电流表示数
电阻大小
甲(0.5毫米2)



乙(1毫米2)



   实验结果:  材料相同的导体,越粗,电阻越小 

   3.探究导体电阻与材料的关系。

   控制的不变量有  长度    粗细    温度 

在图4-27中的a、b间,分别接入材料不同的导体甲、乙(甲是镍铬导体,乙是铜导体)。闭合开关S,观察灯的亮度及电流表的示数,填入表三。

导体
灯的亮度
电流表示数
电阻大小
甲(镍铬)



乙(铜)



   实验结果:  长度、粗细相同的导体,电阻大小与材料有关 

   综上可知:导体的电阻与导体的  长度  、  粗细    材料  有关,相同材料时,导体越长、横截面积越小,导体的电阻就  越大  。

   4.根据实验研究表明:同样条件下,金属导体的电阻还与  温度  有关。温度升高,金属导体的电阻会  增大  ;温度  降低  ,金属导体的电阻会减小。

   某些材料,当温度降低到一定程度时,电阻会  消失  ,这就是超导现象。

   其他条件相同,不同材料的电阻值(电阻率)是不同的,见书p. 141表。从表中可知,在同样条件下,  银   铜  材料的电阻很小,  电木    橡胶材料的电阻很大。一般常用,铜材料来做导线,电木、橡胶来做绝缘体。

   人体电阻的一般值是  1000-2000  欧。不同的人或一个人在不同的情况下的电阻值是不同的。气温  高  ,出汗时,人体的电阻值较  小  ;气温  低  ,干燥时,人体的电阻值较  大 

   如果用L表示导体的长度,S表示导体的横截面积,ρ表示导体的电阻率,则金属导体的电阻大小可表示为公式:R=ρ。  

   [课内练习]

   1.影响铜导体的电阻大小的因素有  长度  、  粗细    温度  。

   2.粗细相同的铜丝甲、乙,甲的长度是乙的一半,则甲、乙电阻R、R的大小关系为   (  B  )

   A.R=2R   D.2R=R   C.R=R   D.无法比较

   3.长度相同的镍铬合金甲横截面积是乙的一半,则甲、乙电阻R、R的大小关系为

   (  A  )

   A.R=2R   B.2R=R   C. R=R   D.无法比较

   4.镍铬合金甲、乙,已知甲、乙的长度之比是5:3,横截面积之比是2:5,则甲、乙电阻R、R之比是   (  C  )

   A.2:3   B.3:2   C. 25:6   D.6:25

   [课时小结]

   重点:导体电阻值由材料、长度、粗细等因素决定。

   难点:材料和温度对导体电阻值的影响。

课外同步训练

   [基础过关]

   1.导体的电阻是导体  本身  的一种性质。影响导体电阻大小的因素有  长度   粗细  、  材料    温度 

   2.长10米、电阻均为10欧的铜导线两根,接长成为20米的导线,接长后的导线电阻为   (  B  )

   A.10欧   B.20欧   C.5欧   D.40欧

   3.横截面积为1毫米2、电阻均为1欧的镍铬合金线两根,合并成横截面积为2毫米‘的导线,合并后的导线电阻为   (  C  )

   A.1欧   B.2欧   C.0.5欧   D.4欧

   4.关于导体的电阻大小,下列说法中正确的是   (  D  )

   A.导体的长度越大,电阻越大

   D.导体的横截面积越小,电阻越大

   C. 铜导线的电阻一定比铝导线的电阻小

   D.材料相同的导线,越长、越细,电阻越大

   [深化提高]

   5.把长10米、电阻为10欧的铜导线拉成长20米的铜导线,拉长后的铜导线电阻为(  C  )

A.10欧   B.20欧  C.40欧   D.2.5欧

   6,把长10米、电阻为10欧的铜导线平分两等份后,合成一根长5米的铜导线,合并后的铜导线电阻为   (  D  )

   A.10欧   B.20欧   C.40欧   D.2.5欧

   7.有电阻均为10欧的相同导线若干根,现要求得到15欧的电阻值,则应   (  C  )

   A.把两根接长后使用

   B.把两根合并后使用

   C. 一根取半与另一根接长后使用

   D.一根取半与另一根合并后使用

   8.把一根电阻值为只的合金导线,拉长到原来的n倍,它的电阻变为  n2  R;n等分后再合并在一起,它的电阻变为    R。

第6课时

5.理解电阻概念,知道电阻的单位。

课堂学习设计

   [科学探究]

   [引入课题]  [设问]  电路中要用到导线,做导线的材料是什么呢?

   [答]  导线的内芯是用  铜  等金属做的,导线的外套是用  橡胶或塑料  做的。

   [问]  其原因是什么呢?

   [答]  因为铜等金属能  导电  (通过电流),而橡胶或塑料等材料不能  导电  (不能通过电流)。可见有的物质能导电,有的物质不能导电。

   [又问]  用什么方法可以显示或说明是否会导电?  

   [答]  可用电流表或小灯泡,如果电流表  偏转  或小灯泡  发光  ,说明能导电。

   [新课教学]

   一、物质的导电能力

   [实验]  利用下列器材:电源、导线、开关、电流表或小灯泡,检测下列物质:①金属丝;②塑料尺;③玻璃棒;④铅笔芯(碳棒);⑤食盐水;⑥粉笔;⑦硬币能否导电。

   设计检测实验线路图4-26,闭合开关S,分别接入上述待测物质进行实验测试,可知这些物质归为下列两类:

   容易导电(小灯泡  发光  )的物质为  ①④⑤⑦ 

   不容易导电(小灯泡  不发光  )的物质有  ②③⑥ 

   1.导体:  容易  导电的物质。常见的导体有:所有金属(水银)、石墨、人体、大地和食盐的水溶液等。

   2.绝缘体:  不容易  导电的物质。常见的绝缘体有:橡胶、玻璃、塑料、瓷、干木头、油、干燥的空气、纯水等。

   家庭电路中的导线都是用塑料、橡胶等绝缘材料做外套的原因是  防止导电而使人触电 

   [实验]  1.纯水接入电路,观察到电灯  不发光  ,说明纯水是  绝缘体  。当溶入食盐或其他物质时,观察到电灯  发光  ,可见普通的水是能  导电  的。

   2.玻璃通常是绝缘体,但当玻璃接入电路并烧红时,观察到电灯  发光  。可见烧红的玻璃变成了  导体  。如果导体的表面被氧化或腐蚀,会使导电能力下降,甚至不容易导电。

   [结论]  导体和绝缘体  不是  绝对的,当条件发生变化时,导体与绝缘体会相互  转化  。

   3.半导体:导电能力介于导体和绝缘体之间的一类物质。常见的半导体材料有  硅    锗  。半导体在  电子  工业中有广泛的应用,“硅谷”意指  电子产品  基地。

   二、金属导电的微观解释

   [探究]  已经学过,物质由  分子  构成,分子由  原子  构成,原子由  原子核  和绕原子核高速运动的  电子  构成。在这些微粒中,  电子  带负电,  原子核  带正电。

   金属导体内部的原子核位置相对固定,但核外的电子能  自由移动  ,能从一个地方  移动  到另一个地方。而非金属中,几乎不存在能  自由移动  的电子。

   [结论]  可见金属导电的原因是  内部存在大量自由移动的电子  ,绝缘体不导电的原因是  内部几乎不存在自由电子 

   三、电阻

   不同的材料导电能力有强有弱,为了比较各种材料的导电能力的强弱,引入  电阻 

   电阻是导体对电流的  阻碍  作用。电阻越大,导体对电流的阻碍作用越  大  ,导电能力越  弱 

   绝缘体的电阻非常  大  ,导电能力非常弱  。

   电阻可用字母  R  表示。

   单位:  欧姆  ,简称  欧  ,符号用  Ω  。

   比欧大的单位还有千欧  kΩ  、兆欧 MΩ 

   关系:1MΩ=  103  kΩ,1kΩ=  103  Ω。

   [课内练习]

   1.下列物质中,①铁制钢笔;②橡皮;③铅笔芯;④棉衣;⑤人体的尿液;⑥玻璃杯;⑦电视机外壳;⑧干燥的空气。

   属于导体的是  ①③⑤  ,属于绝缘体的是  ②④⑥⑦⑧  。

   2.金属导体和绝缘体的区别在于  (  C  )

   A.金属导体中有电子,绝缘体中没有电子

   B.金属导体中的电子能自由移动,绝缘体中没有电子

   C.金属导体中有自由电子,绝缘体中没有自由电子

   D.金属导体中没有自由电子,绝缘体中有自由电子

   3.导体对电流阻碍作用的  大小  用电阻表示,导体的电阻越大,表示导体对电流的  阻碍作用越大  ,电阻用字母  R  表示。

   4.完成下列换算。

   5兆欧=  5× 103  千欧  0.5千欧=  500 

   30欧=  0.03  千欧=  3×10-5  兆欧

   [课时小结]

   重点:常见导体、绝缘体的区别,金属导体导电的微观解释。

   难点:导体和绝缘体间的转化,金属导体导电的原因。

课外同步训练

   [基础过关]

   1.在通常情况下,下列各物质全部属于导体的是   (  B  )

   A. 食盐水、锗、玻璃   B.汞、碳棒、人体

   C. 纯水、铜、食盐   D.铁丝、硅、大地

   2.电线芯通常是用铜丝做成的,是因为  铜丝是导体  ,容易  导电  ;外套是用塑料

橡胶做的,因为它们是  绝缘体  ,能够防止  触电 

   3.金属导体中可以自由移动的微粒是   (  D  )

   A.原子   B.原子核   C.质子   D.电子

   4.800欧=  0.8  千欧  2.5×103千欧=  2.5  兆欧

   [深化提高]

   5.金属导体导电是因为   (  C  )

   A.具有原子   B.具有电子   C. 具有自由电子   D.具有原子核

   6.物质甲的电阻R=300欧,物质乙的电阻R=3千欧,物质甲、乙的电阻大小比较正确的是   (  C  )

   A. R>R   B. R=R   C.R<R   D.无法比较   

   7.关于绝缘体,下列说法中正确的是   (  D  )

   A.绝缘体在任何情况下都不能导电

   B.绝缘体不易导电,是因为不存在电子

   C. 绝缘体不易导电,是因为不存在带电微粒

D.绝缘体不易导电,是因为不存在自由电子

第5课时

 0  397743  397751  397757  397761  397767  397769  397773  397779  397781  397787  397793  397797  397799  397803  397809  397811  397817  397821  397823  397827  397829  397833  397835  397837  397838  397839  397841  397842  397843  397845  397847  397851  397853  397857  397859  397863  397869  397871  397877  397881  397883  397887  397893  397899  397901  397907  397911  397913  397919  397923  397929  397937  447348 

违法和不良信息举报电话:027-86699610 举报邮箱:58377363@163.com

精英家教网