3.老师提供实际小彩灯研究。

(1)小彩灯的内部结构:图4-70甲、乙。

   可知:每个灯除了有灯丝R1外,还有一个电阻R2并联在灯丝间,且R2>>R1。灯发光时,电流几乎通过R1,灯正常发光。当灯丝风被烧毁后,电流全部通过R2,R2上的电压将大大增加,使其他灯的电压  减小  ,亮度变  暗 

  (2)小彩灯的连接方法见图4-71,看上去是串联,但当某一只灯烧毁时,其他灯  仍发光  ,只是变  暗 

   [课内练习]

   1.用一个开关同时控制两盏灯的亮、灭,这两盏灯的连接是   (  C  )

   A.串联    B.并联   C. 既可串联,也可并联   D.都不是

   2.灯L1、L2并联在同一电路中,当灯L1不发光时,灯L2   (  B  )

   A.不发光   D.发光   C. 无法确定   D.可能不发光

   3.灯L1的电阻为15欧,灯L2的电阻为10欧,灯L1、L2并联在同一电路中,则灯L1、L2两端的电压之比是   (  C  )

   A.3:2   B.2:3   C. 1:1   D.无法确定

   4.灯L1的电阻是灯L2的电阻的2倍,灯L1、L2并联接在电路中,测得灯L1两端的电压为10伏,则灯L2两端的电压为   (  B  )

   A.5伏   B.10伏   C.20伏   D.40伏

   [课时小结]

   1.并联电路的特点:各支路上的用电器相互不影响;各支路两端的电压相等;于路上的总电流等于各支路电流的和。

   2.小彩灯的连接方法:混联(即先并联连接再串联连接)。

课外同步训练

   [基础过关]

   1.如图4-72所示的电路中,闭合开关S、S1时,灯L1、L2的发光情况是   (  A  )

 A.L1发光,L2不发光      B.L1不发光,L2发光 

 C.L1、L2都发光        D.L1、L2都不发光

   2.在图4-72中,闭合开关S1、S2、S,测得干路电流为1.2安,通过灯L1的电流为0.7安,则通过灯L2的电流为   (  C  )

   A.1.2安   B.0.7安   C.0.5安   D.1.9安

   3.如图4-73所示的电路图,用电压表测得电源两端的电压为U,灯L1两端的电压为U1,灯L2两端的电压为U2,则U、U1、U2三者关系正确的是   (  B  )

   A.U=U1+U2   B.U=U1=U2   C. U>U1+U2   D.U<U1+U2

   4.如图4-74所示的电路图中,灯L1、L2的连接是  并  联。

   [深化提高]

   5.电阻之比是1:5的灯L1、L2并联在同一电路中,则灯L1、L2两端的电压之比是(  C  )

   A.1:5   B.5:1   C.1:1   D.25:1

   6.灯L1、L2并联,已知灯L1的电阻为10欧,灯L2的电阻为5欧,流过灯L1的电流为0.2安,则流过灯L2的电流为   (  B  )

   A.0.2安   B.0.4安   C. 0.1安   D.0.8安

   7.灯L1、L2并联,已知灯L1的电阻为20欧,流过L2的电流为0.2安,流过干路的电流为0.3安,则灯L2的电阻为   (  C  )

   A.20欧   B.30欧   C. 10欧   D.5欧

   8.电阻R1、R2之比为2:3,并联接在同一电路中,则电阻两端的电压之比和通过电阻的电流之比分别为   (  D  )

   A.2:3,2:3   B.3:2,3:2   C.1:1,2:3   D.1:1,3:2

第13课时

本章复习

学习目标

   1.理解电路和电路的基本连接法,掌握电路图的画法、实物图的连接。

   2.理解物体的导电性,知道常见的导体物质,绝缘体材料。

   3.理解电流、电压、电阻的概念。

   4.会正确使用电流表、电压表、滑动变阻器。

   5.熟练地运用欧姆定律。

   6.理解串联电路的特点,了解并联电路的特点。

   7.会解决实际的电学问题。

课堂学习设计

   [知识要点]

   1.电路由  电源    开关   用电器  、  导线  组成。

   电源:持续  供电  的装置,有  正   负两极,电流从电源的  正  极流出,沿导线经过用电器流回电源的  负  极。

   开关:  接通    切断  电流的流通。

   根据用电器的连接,可知电路有最基本的两种形式:  串联  电路和  并联  电路。

   电路的三态。

   通路:电源、用电器构成  通路  的电路。此电路闭合连通。

   开路:指  某处断开  的电路,开路中的用电器  不工作  。电路中  无  电流。

   短路:指不经过  用电器  而直接用导线连接成通路的电路。电源短路会损坏  电源 

   2.电荷在电路中  移动  形成电流。科学上曾认为  正电荷  的移动方向为电流方向,金属导体中实际移动的  自由电子  方向与导体中的电流方向相  反 

   电流的单位是  安培  ,还有  毫安   微安  ,符号分别为  A   mA  、  μA 

   电流的大小用电流强度表示,字母为  I 

   电流表是测量  电流  大小的仪器,实验室用的电流表通常有三个接线柱、两个量程。

   3.电压是电路中电源对电荷的  推动  作用,它也是电路中产生电流的  必要条件  ,电压越大,  推动  作用越大,所以  电流  越大。

   电压用符号  U  表示,单位是  伏特  ,还有  千伏    毫伏    微伏  ,符号分别为  V  、  kV  、  mV   μV 

   电压表是测量用电器或电源两端  电压的仪器,实验室用的电压表有三个接线柱和两个

量程。

   4.电阻是导体对电流的  阻碍  作用,用符号“R”表示,电阻的单位是  欧姆  ,还有  兆欧   千欧  符号分别为  Ω    MΩ  、  kΩ  。

   电阻是导体本身的一种性质,它的大小由导体的  长度   横截面积  和组成导体的  材料  决定。同种材料的导体越长,横截面积越小,导体的电阻越  大  。导体的电阻还与  温度有关,金属导体的电阻随温度的升高而  增大 

   金属导体的电阻较  小  ,容易导电。导电原因是:金属导体内部存在大量的自由  电子  。绝缘体的电阻无限  大  。但绝缘体与导体不是  绝对的  ,在一定条件下可相互  转化 

   5.一般导体中的电流、电压、电阻三者关系,可用  欧姆  定律来描述。此定律的内容:导体中的电流,跟导体两端的电压  成正比  ,跟这段导体的电阻成  反比  。数学表达式为  I=U/R  。利用欧姆定律,可用  伏安  法测一段导体的电阻。

   6.串联电路的特点:通过各电阻的  电流  相等,总电压等于各个电阻两端的电压  之和  。即I=  I1=I2  ,U= U1+U2 

  并联电路的特点:各电阻两端的  电压  相等,总电流表示各支路的电流  之和  。即U=  U1+U2  ,I=  I1+I2  。

   [典型例题解析]

   [例1]  已知AB、BC是同种材料制成的长度

相等而粗细不同的金属导线,接在电路中,如图4-75。已知AB导线的横截面半径是BC导线的横截面半径的2倍,测得BC段电阻为40欧,通过BC导线的电流为0.4安,则AB段电阻和通过AB导线的电流分别为   (  B  )

   A. 80欧,0.2安  B. 10欧,0.4安  C. 40欧,0.8安   D. 20欧,1.6安

   [解析]  从题意中可知AB、BC导线材料相同,长度相同,但横截面积SAB=4SBC(S=πR2),故BC导线电阻RBC=4RAB,而AB、BC导线在电路中是串联连接,所以通过的电流是相等的。故正确答案选B。

   [答]  B

   [例2]  如图4-76所示,电源电压保持不变,开关S由断开到闭合时,电流表、电压表示数变化正确的是     (  A  )

    A. 都变大     B. 电流表变大,电压表变小 

C.都变小     D.电流表变小,电压表变大

   [解析]  从电路分析可知,当开关从断开到闭合,电路由R1、R2串联变到R1被短路,电路中的总电阻减小,即电流和R2两端的电压都增大,故正确答案选A。

   [答]  A

   [例3]  如图4-77是用伏安法测电阻的电路图,已知电源电压12伏不变,电压表上只有0-3伏的量程,测得电压表的示数为2.5伏,电流表的示数为0.5安,求电阻R的大小。

[解析]  已知I=0.5安,U=12伏-2.5伏=9.5伏,

根据公式I=,得R=U/I=9.5伏/0.5安=19欧

   [答]  电阻的阻值为19欧。

   [课内练习]

   1.根据图4-78所示的器材和实物连接,在方框内画出它的电路图。

   2.科学上规定的电流方向为   (  D  )

A.电荷运动的方向     B.电子运动的方向

C. 正负电荷移动的方向   D.正电荷移动的方向

   3.甲、乙两根铜导线,甲比乙长,乙比甲粗,设它们的电阻分别为R和R,则   (  B  )

    A.R=R   B.R>R   C.R<R   D.R可能等于R

   4.一个电阻两端加12伏电压,通过它的电流是0.1安,如果这个电阻两端加3伏电压,则它的电阻是   (  B  )

   A.30欧   B.120欧   C.90欧   D.0

   [课时小结]

   重点:电路的分析,欧姆定律,串联、并联电路的特点。

   难点:电阻的概念,并联电路的特点。

课外同步训练

   [基础过关]

   1.绝缘体不容易导电是因为绝缘体  (  A  )

   A.自由电荷极少   B.没有正电荷   C. 没有电子   D.几乎没有电荷

   2.如图4-79所示,当开关S闭合时,可能会发生的现象是   (  D  )

   A. 灯L1短路,灯L2发光   B. 灯L2短路,灯L1发光

   C. 灯L1、L2都发光     D.灯L1、L2都不发光

   3.某同学把电流表的“0.6”、“+”接线柱串联连接在电路中,但只能从0-3安量程中读得,测得的数据为2.8安,则该同学测得的实际电流为  (  B  )

   A.2.8安   B.0.56安   C.1.4安   D.5.6安

   4.如图4-80所示的电路图,电源电压不变,当开关从断开到闭合时,电流表A1,A的示数变化为   (  B  )

   A.都变大   B.A1不变,A变大   C. 都变小   D.A1不变,A变小

   [深化提高]

   5.如图4-81所示,当移动滑动变阻器的滑片P使灯泡变亮时,电压表的示数变化和滑片P的移动方向应是   (  A  )

  A.示数变大,滑片P向左移动   B.示数变小,滑片P向右移动

  C.示数变大,滑片P向右移动   D.示数变小,滑片P向左移动

   6.如图4-82,电源电压为12伏不变,电阻R1为12欧,滑动变阻器R2的最大阻值为18欧,当滑片P从最左端移到最右端时,电压表示数变化范围是   (  B  )

   A.0-12伏   B.12伏-4.8伏   C.4.8伏-0伏   D.4.8伏-12伏

   7.如图4-83所示,电阻R1为10欧,电流表A1、A的示数分别为0.6安、0.9安,则电阻R2中通过的电流和风两端的电压是   (  B  )

  A.0.3安,3伏   B.0.3安,6伏   C.1.5安,6伏   D.1.5安,15伏

4.8  电路的连接(二)

学习目标

   1.能用实验方法得到并联电路的电压、电流关系式。

   2.能从电路的基本原理出发,理解并联电路的电压、电流关系。

   3.学会用电表探测电路的规律,掌握实验技能。

   4.从小彩灯连接方式初步体会“黑箱方法”。

课堂学习设计

   [课前预习]

   [复习]  串联电路中

   1.开关控制整个电路中的  用电器  的工作。

   2.某一用电器不工作,其他用电器  不能(填“能”或“不能”)工作。

   3。通过用电器的电流  相等  (填“相等”或“不相等”)。

   4.总电压等于各用电器两端的电压  和 

   并联电路中,有什么特点和规律呢?

   [新课教学]

   一、并联电路的特点

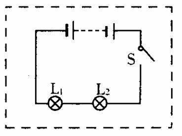
   [实验]  把两只电灯L1、L2连接成如图4-66的电路图。

   1.闭合开关S1、S2。闭合开关S,灯L1   ;灯L2  亮  ,断开开关S,灯L1  不亮  ,灯L2  不亮  。

   特点1:干路开关控制  整个电路  上的电灯。

   2.闭合开关S。闭合开关S1,灯L1  亮  ;断开开关S1,灯L1  不亮  。闭合开关S2,灯L2  亮  ;断开开关S2,灯L2  不亮 

   特点2:支路开关控制  该支路  上的电灯。

   3.闭合开关S、S1、S2,灯L1、L2   ,拿掉一只灯,另一只灯  亮 

   特点3:并联电路中各支路上的电灯  相互不  影响。

   4.闭合开关S、S1、S2,用电流表分别测出灯L1、灯L2两条支路和干路上的电流,I1  安,I2=  安,I总=   安。

   可以得出I1、I2、I3的关系是  I=I1+I2 

   特点4:并联电路中干路上的总电流等于  各条支路的电流之和 

   5.闭合开关S1、S2、S,用电压表分别测出灯L1、灯L2和两灯的总电压,U1    伏,U2=   伏,U   伏。

   可以得出  U1、U2、U  的关系是  U1=U2=U 

   特点5:并联电路中两端的总电压等于  各支路两端的电压 

   [推广]  1.电路中并联的电灯(用电器)越多,干路中的电流越  大  ,可能会引起电源超载而损坏电源。

   2.并联电路中,某条支路上的电阻越小,则该条支路上的电流越  大 

   二、节日小彩灯的连接方法

   节日用的小彩灯(又称“满天星”)灯泡数量很多,一串小彩灯就有约五十只灯泡,下面研究小彩灯灯泡的连接。

   1.根据串联电路和并联电路的知识,请你设计一个或几个方案并画出电路图。

   2.讨论设计方案的优、缺点,选择最佳方案。

[方案1]  小彩灯串联,电路图4-67。

   [缺点]  当某一个灯丝烧毁不发光时,其余灯都不发光。

[方案2]  小彩灯并联,电路图4-68。

[缺点]  干路电流过大,灯两端电压过大。

[方案3]  小彩灯混联,电路图4-69。

[缺点]  连接复杂。

4.灯L1、L2串联,灯L1的电阻是灯L2的电阻的2倍,测得通过灯L1的电流大小为2安,则通过灯L2的电流为   (  B  )

   A.1安   B.2安   C. 4安   D.0.5安

   [课时小结]

   串联电路的特点:开关同时控制灯的亮和灭;电流处处相等;总电压等于各灯两端的电压之和;其中一灯熄灭,其他灯全部熄灭。

课外同步训练

   [基础过关]

   1.如图4-61所示的串联电路,当开关S闭合时,灯L1、L2的发光情况是   (  D  )

   A.L1亮,L2灭   B.L1灭,L2亮   C.L1、L2都灭   D. L1、L2都亮

   2.如图4-62所示的电路图中,已知电流表A2的示数为0.45安,则电流表A1的示数为  0.45  安,电流表A3的示数为  0.45  安。

   3.如图4-63所示的实物图中,灯L1、灯L2的连接是  串  联,在方框中画出电路图。

   4.按要求连接实物图4-64,灯L1、灯L2串联,开关是总开关,电压表测灯L1的电压。

   5.如图4-65所示的串联电路中,如果同时闭合开关S1、S2,则灯L1、L2的发光情况是   (  A  )

   A.只有L1亮   B.只有L2亮   C. L1、L2都亮   D.L1、L2都灭

   6.灯L1、L2串联在电路中,已知灯L1、L2的电阻之比是1:5,测得通过灯L2的电流为5安,且通过灯L1的电流为   (  D  )

   A.1安    B.0.2安   C.2.5安   D.5安

   7.电阻分别为10欧和20欧的灯L1、L2串联,已知灯L1两端的电压为5伏,则灯L2两端的电压为   (  B  )

   A.5伏   B.10伏   C. 20伏   D.30伏

   8.电阻之比为1:2的两灯串联,则通过灯的电流之比和灯两端的电压之比分别为   (  B  )

   A.1:2  1:2   B. 1:1  1:2   C. 1:1  1:1   D.1:2  1:1

第12课时

4.8  电路的连接(一)

学习目标

  1.能用实验方法得到串联电路的电压、电流关系式。

   2.能从电路的基本原理出发,理解串联电路的电压、电流关系。

   3.会用电表探测电路的规律,掌握实验技能。

课堂学习设计

   [科学探究]

   [引入课题]

   在实际生产和生活中,常会遇到一个电源给各个用电器供电的问题。

   问题一:教室里的电源线进来后,给多盏灯和多个插座同时供电;

   问题二:家里的电源线进来后,给多盏日光灯和多个插座同时供电。它们的电路是如何连接的?

第一节电路中,我们已学过两盏灯的两种基本电路连接--串联和并联。下面研究它们的特点。

   [新课教学]

   串联电路的特点。

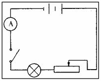
[实验]  把两只灯L1、L2连接成图4-60的电路图。

   (1)闭合开关:灯L1  亮  ,灯L2   ;断开开关,灯L1  不亮  ,灯L2  不亮  。

   特点1:开关同时控制两只灯的  亮  或  灭  。  

(2)电流表分别测出1、2、3处的电流大小。

I1=   安,  I2=   安,  I3=   安。

   可以得出I1、I2、I3的关系是  I1=I2=I3

   特点2:串联电路中的电流  处处相等 

   (3)用电压表分别测1与2间、2与3间和1与3间的电压,即灯L1两端,L2两端,灯L1、L2两端的电压U1、U2、U总。

   U1   伏,U2  伏,U总=   伏。

   可以得出U1、U2、U总的关系是  U=U1+U2  。

   特点3:串联电路中总的电压等于  各灯两端的电压之和  。

   (4)闭合开关,灯L1、L2同时  发光  ,拿掉其中一只灯,发生的现象是  另一灯不发光  。原因是:串联电路中只有  一  条通路,电路上灯的亮灭相互  影响 

   [课内练习]

   1.在串联电路上接有三只灯泡L1、L2、L3,在L1与L2之间连接一个开关,当开关闭合时,发光的灯有   (  C  )

   A.只有L1、L2   B.只有L2   C. L1、L2、L3   D.都不发光

   2.同时发光的灯L1、L2、L3依次串联接在同一电路上,如果L1烧坏,则L1、L2、L3的发光情况是   (  C  )

   A.只有L1不亮   B.L1、L2不亮,L3

   C. 三只灯都不亮   D.L1、L3不亮,L2

   3.灯L1的电阻为15欧,灯L2的电阻为10欧,灯L1、L2串联接在同一电路中,则通过L1、L2的电流I1、I2之比是     (  A  )

   A.1:1   B.3:2   C.2:3   D.都不对

 0  397745  397753  397759  397763  397769  397771  397775  397781  397783  397789  397795  397799  397801  397805  397811  397813  397819  397823  397825  397829  397831  397835  397837  397839  397840  397841  397843  397844  397845  397847  397849  397853  397855  397859  397861  397865  397871  397873  397879  397883  397885  397889  397895  397901  397903  397909  397913  397915  397921  397925  397931  397939  447348 

违法和不良信息举报电话:027-86699610 举报邮箱:58377363@163.com

精英家教网