43.(2008佳木斯市)![]()
三名大学生竞选系学生会主席,他们的笔试成绩和口试成绩(单位:分)分别用了两种方式进行了统计,如表一和图一:
表一
|
|
A |
B |
C |
|
笔试 |
85 |
95 |
90 |
|
口试 |
|
80 |
85 |
(1)请将表一和图一中的空缺部分补充完整.
(2)竞选的最后一个程序是由本系的300名学生进行投票,三位候选人的得票情况如图二(没有弃权票,每名学生只能推荐一人),请计算每人的得票数.
(3)若每票计1分,系里将笔试、口试、得票三项测试得分按
的比例确定个人成绩,请计算三位候选人的最后成绩,并根据成绩判断谁能当选.
42..(2008佛山)某地为了解当地推进“阳光体育”运动情况,就“中小学生每天在校体育活动时间”的问题随机调查了300名中小学生.根据调查结果绘制成的统计图的一部分如图(其中分组情况见下表):
|
组别 |
范围(小时) |
|
A |
|
|
B |
|
|
C |
|
|
D |
|
|
人数 |
|
|
|
|
|
|
|
|
|
|
|
180 |
|
学生在校体育活动时间统计图 |
||||||||
|
|
|
|
|
|
|
|
|
|
|
|
|
150 |
|
|
|
|
|
|
|
|
|
|
|
|
|
|
|
|
|
|
|
|
|
|
|
120 |
|
|
|
|
|
|
|
|
|
|
|
|
|
|
|
|
|
|
|
|
|
|
|
90 |
|
|
|
|
|
|
|
|
|
|
|
|
|
|
|
|
|
|
|
|
|
|
|
60 |
|
|
|
|
|
|
|
|
|
|
|
|
|
|
|
|
|
|
|
|
|
|
|
30 |
|
|
|
|
|
|
|
|
|
|
|
|
|
|
|
|
|
|
|
|
|
|
|
0 |
|
|
|
|
|
|
|
|
|
|
|
|
A |
|
B |
|
C |
|
D |
组别 |
![]()
![]()
|
(1) B组的人数是 人;
(2) 本次调查数据(指体育活动时间)的中位数落在 组内;
(3) 若某地约有64000名中小学生,请你估计其中达到国家规定体育活动时间(不低于1小时)的人数约有多少?
41.(2008泰安)为了解某品牌A,B两种型号冰箱的销售状况,王明对其专卖店开业以来连续七个月的销售情况进行了统计,并将得到的数据制成如下的统计表:
|
月份 |
一月 |
二月 |
三月 |
四月 |
五月 |
六月 |
七月 |
|
A型销售量(单位:台) |
10 |
14 |
17 |
16 |
13 |
14 |
14 |
|
B型销售量(单位:台) |
6 |
10 |
14 |
15 |
16 |
17 |
20 |
![]()
(1)完成下表(结果精确到0.1):
|
|
平均数 |
中位数 |
方差 |
|
A型销售量 |
|
14 |
|
|
B型销售量 |
14 |
|
18.6 |
(2)请你根据七个月的销售情况在图中绘制成折
线统计图,并依据折线图的变化趋势,对专卖店今
后的进货情况提出建议(字数控制在20~50字).
40. (2008杭州市)据2008年5月14日钱江晚报“浙江人的买车热情真实高”报道,至2006年底,我省汽车保有量情况如下图1所示.
其中私人汽车占汽车总量的大致比例可以由下表进行统计:(单位:万辆)
|
年度 |
2000 |
2001 |
2002 |
2003 |
2004 |
2005 |
2006 |
|
汽车总数 |
70 |
90 |
105 |
135 |
170 |
|
|
|
私人汽车 |
25 |
30 |
|
75 |
|
135 |
175 |
|
私人汽车占总量比例 |
35.7% |
|
|
55.6% |
|
|
|
(1) 请你根据图1直方图提供的信息将上表补全;
(2) 请在下面图2中将私人汽车占汽车总量的比例用折线图表示出来.
![]()
![]()
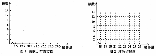
38.(08绵阳市)某面粉批发商通过统计前48个星期的面粉销售量(单位:吨),对数据适当分组后,列出了如下频数分布表:
|
销售量 |
18.5≤x<19.5 |
19.5≤x<20.5 |
20.5≤x<21.5 |
21.5≤x<22.5 |
22.5≤x<23.5 |
23.5≤x<24.5 |
合计 |
|
划记 |
|
|
|
|
|
|
|
|
频数 |
6 |
7 |
9 |
12 |
8 |
6 |
48 |
(1)在图1、图2中分别画出频数分布直方图和频数折线图;
(2)试说明这位面粉批发商每星期进面粉多少吨比较合适(精确到0.1吨)?
![]()