9.如图5-58所示,在桌面上有两个小灯泡和一个开关,它们的连接电路在桌面下无法看到,某同学试了一下,闭合开关时两灯泡均亮,断开开关时,两个灯泡均熄灭,这两个小灯泡究竟是串联连接,还是并联连接,请你写出一种简单的判断方法:__________.
图5-58
8.图5-57为一个三孔插座,其中有一个插孔的导线是与室外大地相连的,如果这个插孔的导线断了,使用这个插座还能使洗衣机转动,但是存在的问题是_________________.
7.如图5-56所示,在用电流表测电路中电流的实验中,电流表测定的是__________(填“甲电阻”或“乙电阻”“干路”)的电流,测得电流的大小是__________.
图5-56 图5-57
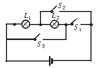
6.如图5-55所示的电路,如果使灯L1、L2串联,则应闭合开关__________,断开开关__________,如果使灯L1、L2并联,则应闭合开关__________,断开开关__________,如果闭合开关S1、S3,则会出现__________,这是不允许的.
5.电路如图5-54所示,闭合开关后,电路将__________,要使电路中两灯串联,只要拆除导线__________.
图5-54 图5-55
4.家庭中的用电器是__________联在电路中的,控制用电器的开关跟用电器是__________联的.
3.电线芯用金属来做,因为金属是__________,电线外面包一层橡胶或塑料,因为它们是__________.
2.在玻璃、碳、铜、橡胶、人体、陶瓷、铝、干燥的木材、油中,__________是导体;__________是绝缘体.
1.电源是提供__________的装置.干电池的碳棒是它的__________极,锌筒是它的__________极.
3.电路如何连接?
有的学生问过家长,有的学生向电工了解情况,还有的学生干脆到商店询问卖开关的售货员.经过调查,收集资料后,学生把几个问题的答案找到了。
当人上楼梯时,能用下面的开关S1开灯,人上了楼梯之后,能用上面的开关S2关灯;当下楼梯时,能用S2开灯,用S1关灯.说明S1开的同时S2应闭合,S1闭合时S2开,是两条路径.而实际电路中用的是两个单刀双掷开关.如下图甲、乙所示.由图中可看出:单刀双掷开关的掷刀可以绕轴1转动,或者跟触头2接触或者跟触头3接触。
[结果]明白了单刀双掷开关作用后,学生画出了如图乙的电路图.经过试验,当人上楼梯时,按下开关S1与触头2接触,上楼梯后按下开关S2与触头3断开;人下楼梯时,按下开关S2与触头3接触,下楼梯后按下开关S1与触头2断开。电路完全符合要求。
在实验时如果没有单刀双掷开关,可以采取代替的办法.如在木板上用电池、小灯泡、两个单刀双掷开关(在木板上按三个图钉分别代替轴1和触头2、3,用一段铜线代替掷刀,接在1、2间,或者接在1、3间)组成电路。
1 D 2 B 3 C 4 D 5 B 6 C 7 B 8 D 9 A 10 B 11 D 12 C 13 B 14 C
15 L1和L2 16 善于导电、自由移动、橡胶、塑料 17 串联、并联 18 绝对不允许把电流表直接接在电源的两极上 19 提提出问题、猜想与假设、制定计划与设计实验、进行实验与收集证据、分析与论证、评估、交流与合作等。20略21略22略23略24略