题目内容
三角形的重心是三角形的( )
A. 三条中线的交点 B. 三条角平分线的交点
C. 三边垂直平分线的交点 D. 三条高所在直线的交点
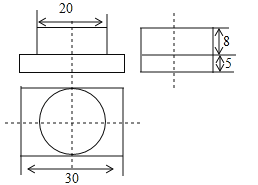
(2017湖北省荆州市)如图是某几何体的三视图,根据图中的数据,求得该几何体的体积为( )
A. 800π+1200 B. 160π+1700 C. 3200π+1200 D. 800π+3000
在△ABC 中,AB=AC,D 是直线 BC 上一点(不与点 B、C 重合),以 AD 为一边在 AD的右侧作△ADE,AD=AE,∠DAE=∠BAC,连接 CE.
(1)如图 1,当点 D 在线段 BC 上时,求证:△ABD≌△ACE;
(2)如图 2,当点 D 在线段 BC 上时,如果∠BAC=90°,求∠BCE 的度数;
(3)如图 3,若∠BAC=α,∠BCE=β.点 D 在线段 CB 的延长线上时,则α、β之间有怎样 的数量关系?并证明你的结论.
一个等腰三角形的两边分别为 2 和 4,那么它的周长为_____
如图是小明用七巧板拼成的一个机器人,其中全等三角形有( )
A. 1 对 B. 2 对 C. 3 对 D. 4 对
下列计算正确的是( )
A. x2 x3 ? x5 B. x2 ? x3 ? x6 C. x6 ? x3? x3 D. (-x3)2=-x6
如图所示,在?ABCD中,BE交AC,CD于G,F,交AD的延长线于E,则图中的相似三角形有( )
A. 3对 B. 4对 C. 5对 D. 6对
如图,在四边形ABCD中,DE∥BC交AB于点E,点F在AB上,请你再添加一个条件________(不再添加辅助线及其他字母),使△FCB∽△ADE.
(1)OA= cm,OB= cm.
(2)若点C是线段AO上一点,且满足AC=CO+CB,求CO的长.
(3)若动点P、Q分别从A、B同时出发,向右运动,点P的速度为2cm/s,点Q的速度为1cm/s,设运动时间为t(s),当点P与点Q重合时,P、Q两点停止运动.
①当t为何值时,2OP﹣OQ=8.
②当点P经过点O时,动点M从点O出发,以3cm/s的速度也向右运动.当点M追上点Q后立即返回,以同样的速度向点P运动,遇到点P后立即返回,又以同样的速度向点Q运动,如此往返,直到点P、Q停止时,点M也停止运动.在此过程中,点M行驶的总路程为 cm.