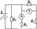
某同学利用图1所示电路,探究了电源在不同负载下的输出功率.

(1)所得实验数据如下表,请在图2中画出U-I的图象.
(2)根据所画的U-I图象,可求得电流I=0.20A时电源的输出功率约为______ W(保留两位有效数字).
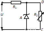
(3)(多选题)实验完成后,该同学对实验方案进行了反思,认为按图甲电路进行实验操作的过程中存在安全隐患,并对电路重新设计.在图3所示的电路中(Rx阻值未知),你认为既能测出电源在不同负载下的输出功率,又能消除安全隐患的是

0 63193 63201 63207 63211 63217 63219 63223 63229 63231 63237 63243 63247 63249 63253 63259 63261 63267 63271 63273 63277 63279 63283 63285 63287 63288 63289 63291 63292 63293 63295 63297 63301 63303 63307 63309 63313 63319 63321 63327 63331 63333 63337 63343 63349 63351 63357 63361 63363 63369 63373 63379 63387 176998
(1)所得实验数据如下表,请在图2中画出U-I的图象.
| U/V | 1.96 | 1.86 | 1.80 | 1.84 | 1.64 | 1.56 |
| I/A | 0.05 | 0.15 | 0.25 | 0.35 | 0.45 | 0.55 |
(3)(多选题)实验完成后,该同学对实验方案进行了反思,认为按图甲电路进行实验操作的过程中存在安全隐患,并对电路重新设计.在图3所示的电路中(Rx阻值未知),你认为既能测出电源在不同负载下的输出功率,又能消除安全隐患的是