为了测定某迭层电池的电动势(约15V)和内电阻(小于2Ω),需要把一个量程为6V的直流电压表接一个固定电阻(用电阻箱代替),改装成量程为18V的电压表,然后用伏安法测电池的电动势和内电阻,以下是该实验的操作过程:

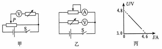
(1)把电压表量程扩大,实验电路如图甲所示,请完成第五步的填空。

第一步:把滑动变阻器滑动片移到最右端

第二步:把电阻箱阻值调到零

第三步:闭合开关

第四步:把滑动变阻器滑动片调到适当位置,使电压表读数为6V

第五步:把电阻箱阻值调到适当值,使电压表读数为   ①   V

第六步:不再改变电阻箱阻值,保持电压表和电阻箱串联,撤去其他线路,即得量程为18V的电压表

(2)上述实验可供选择的器材有:

A.迭层电池(电动势约15V,内电阻小于2Ω)

B.电压表(量程为6V,内阻约10KΩ)

C.电阻箱(阻值范围0~9999Ω,额定功率小于10W)

D.电阻箱(阻值范围0~99999Ω,额定功率小于10W)

E.滑动变阻器(阻值为0~20Ω,额定电流为2A)

F.滑动变阻器(阻值为0~2KΩ,额定电流为0.2A)

电阻箱应选   ①   ,滑动变阻器应选   ②    (用器材前的序号表示)

(3)用扩大了量程的电压表(电压表的表盘没变),使用如图乙所示的实验电路,测量该迭层电池的电动势E和内电阻r。改变滑动变阻器的阻值,记录电压表示数,得到多组电压U和电流I的值,并作出U—I图象如图丙所示。可知电池的电动势为   ①   V,内电阻为   ②    Ω(保留三位有效数字)

 0  50614  50622  50628  50632  50638  50640  50644  50650  50652  50658  50664  50668  50670  50674  50680  50682  50688  50692  50694  50698  50700  50704  50706  50708  50709  50710  50712  50713  50714  50716  50718  50722  50724  50728  50730  50734  50740  50742  50748  50752  50754  50758  50764  50770  50772  50778  50782  50784  50790  50794  50800  50808  176998 

违法和不良信息举报电话:027-86699610 举报邮箱:58377363@163.com

精英家教网