题目内容

发电机输出功率为100 kW,输出电压是250 V,用户需要的电压是220 V,输电线电阻为10 Ω.若输电线中因发热而损失的功率为输送功率的4%。

    

 

【答案】

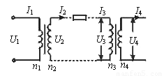
【解析】输电线路的示意图如图所示,

输电线损耗功率P线=100×4% kW=4 kW,又P线=I22R线(1分)

输电线电流I2=I3=20 A(1分)

原线圈中输入电流I1= A=400 A(2分)

所以(2分)

这样U2=U1=250×20 V=5000 V(1分)

U3=U2-U线=5000-20×10 V=4800 V(1分)

所以(2分)

 

练习册系列答案
相关题目

违法和不良信息举报电话:027-86699610 举报邮箱:58377363@163.com

精英家教网