题目内容

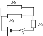
图所示的电路中,电源电动势为6V,当开关S接通后,灯泡都不亮,用电压表测得各部分电压是,由此可断定哪一元件断开了?

答案:略
解析:

答案:断开

思路分析:由题给条件知,电路中有的地方有电压,可知电源是有电压的,由,可知ad之间没有断点;由可知,外电路中的ab之间有断点及外电路中的cd之间有断点.取其公共部分,可知灯泡断开.由灯泡两端电压不为零,可知灯泡与变阻器R是导通的,故应是断开.

指点迷津:题中,实际上都等于电源的开路电压,说明了因为断开,使电路中电流为零,所以R均没有电势降落.


练习册系列答案
相关题目

违法和不良信息举报电话:027-86699610 举报邮箱:58377363@163.com

精英家教网