题目内容

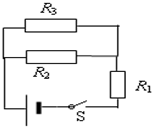
在如图所示的电路中,电源的电动势E=6V,内阻r=1Ω,R1=2Ω,R2=R3=6Ω.
求(1)流过电源的电流;
(2)R1的功率.
分析:根据电阻R2与R3并联,再与R1串联,可求出总电阻,再由闭合欧姆定律求出电源的电流;由功率公式求出R1的功率.
解答:解:(1)由电路的方式得电路中的总电阻:R=
R2×R3
R2+R3
+R1+r=6Ω

        由闭合电路的欧姆定律得I=
E
R
=1A
   (2)R1的功率为P1=I2R1=2w
点评:分析电路结构是电路分析和计算的基础.
练习册系列答案
相关题目

违法和不良信息举报电话:027-86699610 举报邮箱:58377363@163.com

精英家教网