题目内容
在“测定金属的电阻率”的实验中,用螺旋测微器测量金属丝直径时的刻度位置如图,用米尺测量金属丝的长度l=0.810m.金属丝的电阻大约为4Ω.先用伏安法测出金属丝的电阻,然后根据电阻定律计算出该金属材料的电阻率.(1)从图中读出金属丝的直径为______mm.
(2)在用伏安法测定金属丝的电阻时,除被测电阻丝外,还有如下供选择的实验器材:
A.直流电源:电动势约4.5V,内阻很小;
B.电流表A1:量程0~0.6A,内阻0.125Ω;
C.电流表A2:量程0~3.0A,内阻0.025Ω;
D.电压表V:量程0~3V,内阻3kΩ;
E.滑动变阻器R1:最大阻值10Ω;
F.滑动变阻器R2:最大阻值50Ω;
G.开关、导线等.
在可供选择的器材中,应该选用的电流表是______,应该选用的滑动变阻器是______.
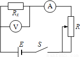
(3)根据所选的器材,在方框中画出实验电路图.
(4)若据伏安法测出电阻丝的电阻为Rx=4.1Ω,则这种金属材料的电阻率为______Ω?m.(保留二位有效数字)
【答案】分析:(1)螺旋测微器读数=固定刻度读数+半刻度读数+可动刻度读数;
(2)根据电路最大电流选择电流表,根据电源电动势、待测电阻阻值与所选电流表选择滑动变阻器.
(3)根据实验器材确定滑动变阻器接法,根据待测电阻阻值与电表内阻关系确定电流表接法,作出电路图.
(4)根据电阻定律求出金属丝的电阻率.
解答:
解:(1)由图示螺旋测微器可知,固定刻度读数:0.5mm;可动刻度读数0.01mm×2.0=0.020mm;故螺旋测微器读数为:0.520mm;
(2)为减小读数误差,选小量程电流表,故选电流表A1:量程0~0.6A,内阻0.125Ω,为保证电路安全,滑动变阻器应选F.滑动变阻器R2:最大阻值50Ω;
(3)为保证电路安全,滑动变阻器采用限流接法,由题意知,电流表采用外接法,实验电路图如图所示;
(4)由电阻定律得:R=ρ
=ρ
,
电阻率ρ=
Ω?m=
≈1×10-6Ω?m.
故答案为:(1)0.520;(2)B;F;(3)电路图如图所示;(4)1×10-6.
点评:本题关键:(1)用伏安法测电阻时安培表内、外接法的选择原则是“大内小外”,即对于大电阻采用安培表内接法,对于小电阻采用安培表外接法;(2)需要有较大的电压测量范围时,滑动变阻器采用分压式接法.
(2)根据电路最大电流选择电流表,根据电源电动势、待测电阻阻值与所选电流表选择滑动变阻器.
(3)根据实验器材确定滑动变阻器接法,根据待测电阻阻值与电表内阻关系确定电流表接法,作出电路图.
(4)根据电阻定律求出金属丝的电阻率.
解答:
(2)为减小读数误差,选小量程电流表,故选电流表A1:量程0~0.6A,内阻0.125Ω,为保证电路安全,滑动变阻器应选F.滑动变阻器R2:最大阻值50Ω;
(3)为保证电路安全,滑动变阻器采用限流接法,由题意知,电流表采用外接法,实验电路图如图所示;
(4)由电阻定律得:R=ρ
电阻率ρ=
故答案为:(1)0.520;(2)B;F;(3)电路图如图所示;(4)1×10-6.
点评:本题关键:(1)用伏安法测电阻时安培表内、外接法的选择原则是“大内小外”,即对于大电阻采用安培表内接法,对于小电阻采用安培表外接法;(2)需要有较大的电压测量范围时,滑动变阻器采用分压式接法.
练习册系列答案
相关题目