ÌâÄ¿ÄÚÈÝ

ÔÚ¡°²â¶¨½ðÊôµÄµç×èÂÊ¡±µÄʵÑéÖУ¬ÓÃÂÝÐý²â΢Æ÷²âÁ¿½ðÊô˿ֱ¾¶Ê±µÄ¿Ì¶ÈλÖÃÈçͼËùʾ£¬ÓÃÃ׳߲âÁ¿½ðÊôË¿µÄ³¤¶Èl=1.010m£®½ðÊôË¿µÄµç×è´óԼΪ4¦¸£®ÏÈÓ÷ü°²·¨²â³ö½ðÊôË¿µÄµç×裬Ȼºó¸ù¾Ýµç×趨ÂɼÆËã³ö¸Ã½ðÊô²ÄÁϵĵç×èÂÊ£®½ðÊôË¿µÄÖ±¾¶Îª0.52mm£®

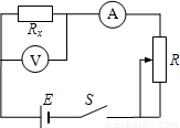
£¨1£©ÔÚÓ÷ü°²·¨²â¶¨½ðÊôË¿µÄµç×èʱ£¬³ý±»²âµÄµç×èË¿Í⣬»¹ÓÐ
ÈçϹ©Ñ¡ÔñµÄʵÑéÆ÷²Ä£º
Ö±Á÷µçÔ´£ºµç¶¯ÊÆÔ¼4.5V£¬ÄÚ×èºÜС£»
µçÁ÷±íA1£ºÁ¿³Ì0¡«0.6A£¬ÄÚ×è0.125¦¸£»
µçÁ÷±íA2£ºÁ¿³Ì0¡«3.0A£¬ÄÚ×è0.025¦¸£»
µçѹ±íV£ºÁ¿³Ì0¡«3V£¬ÄÚ×è3k¦¸£»
»¬¶¯±ä×èÆ÷R1£º×î´ó×èÖµ10¦¸£»
»¬¶¯±ä×èÆ÷R2£º×î´ó×èÖµ50¦¸£»
¿ª¹Ø¡¢µ¼Ïߵȣ®
Ôڿɹ©Ñ¡ÔñµÄÆ÷²ÄÖУ¬Ó¦¸ÃÑ¡ÓõĵçÁ÷±íÊÇ______£¬Ó¦¸ÃÑ¡ÓõϬ¶¯±ä×èÆ÷ÊÇ______£®
£¨2£©¸ù¾ÝËùÑ¡µÄÆ÷²Ä£¬ÔÚ·½¿òÖл­³öʵÑéµç·ͼ£®
£¨3£©Èô¸ù¾Ý·ü°²·¨²â³öµç×èË¿µÄµç×èΪRx=4.2¦¸£¬ÔòÕâÖÖ½ðÊô²ÄÁϵĵç×èÂÊΪ______¦¸?m£®£¨±£Áô¶þλÓÐЧÊý×Ö£©£®

¡¾´ð°¸¡¿·ÖÎö£º£¨1£©¸ù¾Ýµç·×î´óµçÁ÷Ñ¡ÔñµçÁ÷±í£¬¸ù¾ÝµçÔ´µç¶¯ÊÆ¡¢´ý²âµç×è×èÖµÓëËùÑ¡µçÁ÷±íÑ¡Ôñ»¬¶¯±ä×èÆ÷£®
£¨2£©¸ù¾ÝʵÑéÆ÷²ÄÈ·¶¨»¬¶¯±ä×èÆ÷½Ó·¨£¬¸ù¾Ý´ý²âµç×è×èÖµÓëµç±íÄÚ×è¹ØÏµÈ·¶¨µçÁ÷±í½Ó·¨£¬×÷³öµç·ͼ£®
£¨3£©¸ù¾Ýµç×趨ÂÉÇó³ö½ðÊôË¿µÄµç×èÂÊ£®
½â´ð£º½â£º£¨1£©Îª¼õС¶ÁÊýÎó²î£¬Ñ¡Ð¡Á¿³ÌµçÁ÷±í£¬¹ÊÑ¡µçÁ÷±íA1£ºÁ¿³Ì0¡«0.6A£¬ÄÚ×è0.125¦¸£¬Îª±£Ö¤µç·°²È«£¬·½±ãʵÑé²Ù×÷£¬»¬¶¯±ä×èÆ÷ӦѡR1£º×î´ó×èÖµ10¦¸£»
£¨2£©Îª±£Ö¤µç·°²È«£¬»¬¶¯±ä×èÆ÷²ÉÓÃÏÞÁ÷½Ó·¨£¬ÓÉÌâÒâÖª£¬µçÁ÷±í²ÉÓÃÍâ½Ó·¨£¬ÊµÑéµç·ͼÈçͼËùʾ£»
£¨3£©Óɵç×趨ÂɵãºR=¦Ñ=¦Ñ£¬
µç×èÂʦÑ==¡Ö8.8×10-7¦¸?m£®
¹Ê´ð°¸Îª£º£¨1£©A1£»R1£»£¨2£©µç·ͼÈçͼËùʾ£»£¨3£©8.8×10-7£®
µãÆÀ£ºÉè¼ÆÊµÑéµç·ʱ£¬Òª×¢Ò⻬¶¯±ä×èÆ÷ÓëµçÁ÷±íµÄ½Ó·¨£»Èô»¬¶¯±ä×èÆ÷²ÉÓÃÏÞÁ÷ʽʱÄÜÏÞסµçÁ÷£¬ÔòÓ¦ÓÃÏÞÁ÷ʽ£¬ÒòΪÏÞÁ÷ʽ²Ù×÷·½±ãÇÒ½ÚÄÜ£®Òò±¾ÌâÖеçÁ÷±íºÍµçѹ±íÄÚ×èÒ»¶¨£¬¿ÉÒÔ¾«È·²âÁ¿´ý²âµç×èÖµ£¬´ËʱÎÞËùνµçÁ÷±íÄÚÍâ½Ó·¨Ñ¡ÔñÁË£®
Á·Ï°²áϵÁдð°¸
Ïà¹ØÌâÄ¿
Ôڲⶨ½ðÊôµÄµç×èÂʵÄʵÑéÖУ¬½ðÊôµ¼Ïß³¤Ô¼0.8m£¬Ö±¾¶Ð¡ÓÚ1mm£¬µç×è´óԼΪ4¦¸£®ÊµÑéÖ÷Òª²½ÖèÈçÏ£¬
ÇëÌîдÆäÖеĿհײ¿·Ö»ò°´ÒªÇóÁ¬Ïߣº

£¨¢ñ£©²½Ö裺
1ÓÃÃ׳߲âÁ¿½ðÊôµ¼Ïߵij¤¶È£¬²â3´Î£¬Çó³öƽ¾ùÖµL£»
2 ÔÚ½ðÊôµ¼ÏßµÄ3¸ö²»Í¬Î»ÖÃÉÏÓÃ
ÂÝÐý²â΢Æ÷
ÂÝÐý²â΢Æ÷
²âÁ¿Ö±¾¶£¬Çó³öƽ¾ùÖµd£»
3 Ó÷ü°²·¨²âÁ¿½ðÊôµ¼Ïߵĵç×èR£®ÏÖÓÐÆ÷²Ä£ºÖ±Á÷µçÔ´£¨µç¶¯ÊÆÔ¼4.0V£¬
ÄÚ×èºÜС£©£¬
£¨¢ò£© ¸ø¶¨µÄÆ÷²Ä£ºµçÁ÷±íA1£¨Á¿³Ì0¡«0.6A£¬ÄÚ×èÔ¼0.125¦¸£©£»µçÁ÷±íA2£¨Á¿³Ì0¡«3.0A£¬ÄÚ×èÔ¼0.025¦¸£©£»µçѹ±íV£¨Á¿³Ì0¡«3V£¬ÄÚ×èÔ¼3k¦¸£©£»»¬¶¯±ä×èÆ÷R0£¨×î´ó×èÖµ20¦¸£©£¬¿ª¹ØS¡¢µ¼ÏßÈô¸É£®
¢ÙÈç¹û¼ÈÒªÂú×ã²âÁ¿ÒªÇó£¬ÓÖÒª²âÁ¿Îó²î½ÏС£¬Ó¦¸ÃÑ¡ÓõĵçÁ÷±íÊÇ
µçÁ÷±íA1
µçÁ÷±íA1
£»
¢ÚÆäʵÑéµç·ԭÀíͼÈç¼×¡¢ÒÒ£¬ÄãÈÏΪӦ¸ÃÑ¡ÔñÄÇÖÖ
¼×
¼×
£¨¼×»òÒÒ£©µç·£®
¢ÛÔÚʵÎïͼͼ±ûÉÏ»­ÏßÁ¬½Ó³ÉʵÑéµç·£®
¢Ü¸ù¾ÝÉÏÊö²âµÃµÄ½ðÊôµ¼Ïß³¤¶ÈL£¬Ö±¾¶dºÍµç×èR£¬Óɵç×èÂʵıí´ïʽ¦Ñ=
¦Ðd2R
4L
¦Ðd2R
4L
Ëã³ö¸Ã½ðÊôµÄµç×èÂÊ£®£¨Óøø¶¨µÄ×Öĸ±íʾ£©
£¨2013?µÂÖݶþÄ££©Ä³Í¬Ñ§ÔÚ¡°²â¶¨½ðÊôµÄµç×èÂÊ¡±µÄʵÑéÖУº
¢ÙÓÃÂÝÐý²â΢Æ÷²âÁ¿½ðÊôË¿µÄÖ±¾¶Èçͼ¼×Ëùʾ£¬Ôò¸Ã½ðÊôË¿µÄÖ±¾¶Îª
0.520
0.520
mm£®
¢ÚÏÈÓöàÓõç±í´Ö²âÆäµç×èRx£®½«Ñ¡Ôñ¿ª¹Øµ÷µ½Å·Ä·µ²¡°¡Á100¡±µ²Î»²¢µ÷Á㣬²âÁ¿Ê±·¢ÏÖÖ¸ÕëÆ«×ª½Ç¶È¹ý´ó£¬ÕâʱËûÓ¦¸Ã½«Ñ¡Ôñ¿ª¹Ø»»³ÉÅ·Ä·µ²µÄ¡°
¡Á10
¡Á10
¡±µ²Î÷°ëÇò£¨Ñ¡Ìî¡°¡Ál0¡±¡±¡°¡Á1K¡±£©£¬ÖØÐÂÅ·Ä·µ÷Á㣬ÔٴβâÁ¿½ðÊôË¿µÄ×èÖµ£®Æä±íÅ̼°Ö¸ÕëËùָλÖÃÈçͼÒÒËùʾ£¬Ôò´Ë¶Î½ðÊôË¿µÄµç×èΪ
120
120
¦¸£®

¢ÛÏÖÒª½øÒ»²½¾«È·²âÁ¿RxµÄ×èÖµ£¬Êµ
ÑéÊÒÌṩÁËÒÔÏÂÆ÷²Ä£º
Ö±Á÷µçÔ´E£¨µç¶¯ÊÆ4V£¬ÄÚ×è²»¼Æ£©
µçÁ÷±íA1£¨Á¿³Ì30mA£¬ÄÚ×èÔ¼1¦¸£©
µçÁ÷±íA2£¨Á¿³Ì500¦ÌA£¬ÄÚ×èΪ100¦¸£©
»¬¶¯±ä×èÆ÷R1£¨×î´ó×èֵΪ10¦¸£©
¶¨Öµµç×èR2=5000¦¸£¬£»
¶¨Öµµç×èR3=500¦¸£»
µç¼üS¼°µ¼ÏßÈô¸É£®
ΪÁ˲ⶨ½ðÊôË¿Éϵĵçѹ£¬¿ÉÒÔ½«µçÁ÷±í
A
 
2
A
 
2
£¨Ñ¡Ìî¡°A1¡±»ò¡°A2¡±£©´®Áª¶¨Öµµç×è
R
 
3
R
 
3
£¨Ñ¡Ìî¡°R2¡°»ò¡°R3¡±£©£¬½«Æä¸Ä×°³ÉÒ»¸öÁ¿³ÌΪ3.0VµÄµçѹ±í£®Èçͼ±ûËùʾ£¬¸ÃͬѧÉè¼ÆÁ˲âÁ¿µç×èRxµÄa¡¢bÁ½ÖÖ·½°¸£¬ÆäÖÐÓõ½Á˸Ä×°ºóµÄµçѹ±íºÍÁíÒ»¸öµçÁ÷±í£¬ÔòӦѡ·½°¸
a
a
£¨Ñ¡Ìî¡°a¡±»ò¡°b¡±£©£®
ÔÚ¡°²â¶¨½ðÊôµÄµç×èÂÊ¡±µÄʵÑéÖУ¬±»²â½ðÊôË¿µÄµç×è´óԼΪ6¦¸£®ÏÖÏÈÓÿ̶ȳ߲â³ö½ðÊôË¿µÄ³¤¶Èl£»½Ó×ÅÓÃÂÝÐý²â΢Æ÷²âÁ¿½ðÊô˿ֱ¾¶d£¬Æä¿Ì¶ÈλÖÃÈçͼ¼×Ëùʾ£»ÔÙÓ÷ü°²·¨²â³ö½ðÊôË¿Á½¶ËµÄµçѹUºÍͨ¹ý½ðÊôË¿µÄµçÁ÷I£¬¼ÆËã³öËüµÄµç×裻×îºó¸ù¾Ýµç×趨ÂɼÆËã³ö¸Ã½ðÊô²ÄÁϵĵç×èÂÊ£®
¾«Ó¢¼Ò½ÌÍø
¢Ù´Óͼ¼×ÖжÁ³ö½ðÊôË¿µÄÖ±¾¶dΪ
 
mm£®
¢ÚÔÚÓ÷ü°²·¨²â¶¨½ðÊôË¿µÄµç×èʱ£¬³ý±»²âµÄµç×èË¿Í⣬»¹ÓÐÈçϹ©Ñ¡ÔñµÄʵÑéÆ÷²Ä£º
Ö±Á÷µçÔ´E£ºµç¶¯ÊƵÄ4.5V£¬ÄÚ×èºÜС£»
µçÁ÷±íA1£ºÁ¿³Ì0¡«0.6A£¬ÄÚ×èΪ0.125¦¸£»
µçÁ÷±íA2£ºÁ¿³Ì0¡«3.0A£¬ÄÚ×èΪ 0.025¦¸£»
µçѹ±íV1£ºÁ¿³Ì0¡«3V£¬ÄÚ×èÁ¦3k¦¸£»
µçѹ±í V2£ºÁ¿³Ì 0¡«15V£¬ÄÚ×èΪ15¦¸£»
»¬¶¯±ä×èÆ÷R1£º×î´ó×èÖµ10¦¸£¬ÔÊÐíͨ¹ýµÄ×î´óµçÁ÷Ϊ 0.2A£»
»¬¶¯±ä×èÆ÷R2£º×î´ó×èÖµ20¦¸£¬ÔÊÐíͨ¹ýµÄ×î´óµçÁ÷Ϊ 1.0A£»
¿ª¹Ø¡¢µ¼Ïߵȣ®
ÒªÇóÓнϸߵIJâÁ¿¾«¶È£¬²¢ÄܲâµÃ¶à×éÊý¾Ý£®Ôڿɹ©Ñ¡ÔñµÄÆ÷²ÄÖУ¬Ó¦¸ÃÑ¡ÓõĵçÁ÷±íÊÇ
 
£¬Ó¦Ñ¡Óõĵçѹ±íÊÇ
 
£¬Ó¦¸ÃÑ¡ÓõϬ¶¯±ä×èÆ÷ÊÇ
 
£®
¢Û¸ù¾ÝËùÑ¡µÄÆ÷²Ä£¬ÔÚͼÒÒµÄÐéÏß¿òÖл­³öʵÑéµç·ͼ£®
¢Üд³öÓòâµÃµÄÎïÀíÁ¿±íʾµÄ¼ÆËãµç×èÂʵıí´ïʽ£¨ÓÃ×Öĸ±íʾ£©£º¦Ñ=
 
£®

Î¥·¨ºÍ²»Á¼ÐÅÏ¢¾Ù±¨µç»°£º027-86699610 ¾Ù±¨ÓÊÏ䣺58377363@163.com

¾«Ó¢¼Ò½ÌÍø