题目内容

有条河流,流量Q=2m3·s-1,落差h=5m,现利用其发电,若发电机总效率为50%,输出电压为240V,输电线总电阻R=30Ω,允许损失功率为发电机输出功率的6%,为满足用电的需要,使用户获得220V电压,则该输电线路所使用的理想升压、降压变压器的匝数比各是多少?能使多少盏“220V100W”的电灯正常发光?

 

答案:
解析:

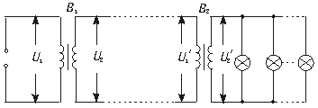
【解析】按题意画出远距离输电的示意图所示,电源端的输出功率

P=()×η

=2×1.0×103×10×5×0.5W=5×104W

输电线上的功率损失P=I2R,所以输电线中电流为

I==10A

则升压变压器B1的原线圈电压U1=U=240V,副线圈送电电压为

U2=V=5×103V

所以升压变压器的变压比为

n1n2=U1U2==6∶125

输电线上电压的损耗

ΔU=IR=10×30V=300V

则降压器B2的原线圈的电压

U1′=U2U=5×103V-300V=4700V

据题意知,U2′=220V,所以降压变压器的匝数比为

n1′∶n2′=U1′∶U2′==235∶11

因为理想变压器没有能量损失,所以可正常发光的电灯盏数为

N===470


提示:

【说明】这是远距离送电的典型题,一般要抓住变压器B1的输出电流去求输电线上的电压损失和功率损失,要注意用户的电压为220V是B2的输出电压.为了帮助分析解题,必须先画出输电线路的简图,弄清楚电路的结构,然后再入手解题,解出变压比不一定是整数,这时取值应采取宜“入”不宜“舍”的方法,因为变压器本身还有损耗.

【设计意图】通过本例说明远距离问题的分析方法.


练习册系列答案
相关题目

违法和不良信息举报电话:027-86699610 举报邮箱:58377363@163.com

精英家教网