例1. 某一电阻丝通过2A的电流时,在某段时间内产生的热量是Q焦。如果将电流增加到4A,在相同的时间内产生的热量是(   )

   A. 2Q焦     B. 3Q焦     C. 4Q焦     D. 5Q焦

将变为4Q。

  例2. 为了使电热器的功率变为原来的,可采用的办法是(   )

   A. 把电热器的电阻丝剪去一半后接在原来的电源上

   B. 把电热器两端的电压降为原来的一半

   C. 把电热器的电阻丝剪去一半,并将其两端的电压降为原来的一半

   D. 把电热器的电阻丝剪去一半,并将其两端的电压降为原来的四分之一

应选C。

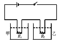
  例3. 现有甲乙两只废旧电炉,分别标有“220V,1000W”和“220V,500W”字样,其电阻丝均完好无损,某同学想利用这些电阻丝来自制一个电阻器接入照明电路中使用,下列设想可行的是(   )

   A. 要使电阻器的功率为250W,只要将乙电阻丝的一半接入电路

   B. 要使电阻器的功率为2000W,只要将乙电阻丝分成等长的两段并联接入电路

   C. 要使电阻器的功率为400W,只要将乙电阻丝与一半长的甲电阻丝串联接入电路

   D. 要使电阻器的功率为750W,只要将两电阻丝各取一半后接入电路

练习 若把两个定值电阻R1R2以某种形式连接起来与电源接通,R1消耗的电功率为9瓦;若把两电阻换成另一种方式连接后,仍与该电源接通,则R1消耗的电功率是16瓦,且通过R2的电流为4安.则电源电压和R1R2阻值各是多大?[设电源电压不变]

解: 串联时:

   A. 电压表V1的示数不变

   B. 电压表V1的示数变大

   C. 电压表V2的示数变小

   D. (2003年天津市)

图 5

答案: A、C、D

练习1、如图2所示,电源两极间电压保持不变,滑动变阻器的滑片P向a端移动过程中,下列判断正确的是(  )

A、电流表、电压表示数都变大

B、电流表、电压表示数都变小

C、电流表示数变小、电压表示数变大

D、电流表示数变大、电压表示数变小

答案选(D)。

练习2. 如图17-1所示,电源电压为18伏,电阻R为30欧,当调节滑动变阻器的滑片P时,电压表变化的最大范围是12-18伏,则下列说法中正确的是: (   )

 

  A. 滑动变阻器的最大阻值是60欧.  B. 滑动变阻器的最大阻值是15欧.

  C. 电流表的最小示数是0.4安.  D. 电流表的最大示数是0.6安.

BCD均正确.

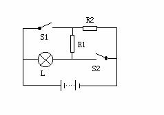
例二:如图17-2所示电路中电源电压不变,灯L上标有 “6V,3W”字样,R1=18欧,当S1S2闭合时,灯L恰能正常发光,电流表的示数为0.8安,求: (1)电源电压.(2) R2的阻值.(3)S1S2均断开时,L的实际功率.

 

分析与解: (1)当S1S2闭合时,R1被短路,电路如图甲.

 

此时灯正常发光,说明电源电压U=UL=6伏.此时灯的实际功率为PL=PL=3,则,故通过R2的电流I2=I-IL=(0.8-0.5)安=0.3安,因此.

(2)当S1S2均断开时,R2断路,电路图如图乙.

首先由灯铭牌求出灯的电阻,又因R1=18欧,U=6伏,则.

电灯此时的实际功率.

练习1、如图,电源电压不变,灯的电阻不随温度变化。当开关S1、S2都闭合时,灯L正常发光,R1消耗的功率为36瓦;当开关S1、S2都断开时,灯L的功率为其额定功率的1/4,R2消耗的功率为2瓦;已知R1>R2,灯L的额定功率为________

解:设电源电压为U,则:

S1,S2都闭合时,L,R1,R2并联,

所以L的额定电压为U, 得:(1)

S1,S2都断开时,L,R1,R2串联,灯L的功率为其额定功率的1/4

所以由得:L两端的电压为额定电压的1/2,为

即: ,得:(2)

 (3)

把(1)(2)代入(3)得:

解得:

所以

L的额定功率为:

练习2. 如图17-20中三只灯泡,其中L1,L2分别标有 “12V,6W”及 “12V,12W”字样,L3的额定电压为54伏,额定功率未知,求:

 

(1)当开关S1断开,S2闭合时,恰有一盏灯正常发光,此时电压表示数是多少?

(2)当开关S2断开,S1闭合时,灯泡实际发出的功率是1瓦,电流表示数是多少?L3的额定功率是多少?(98年大连中考题)

 

(1)当S1断, S2闭时          

   由L1铭牌知

    L2铭牌知.

   因故此时L1正常发光,电路中电流为0.5A电压表示数即L2两端电压

  (2)当S2断开,S1闭时,          

  由(1)中可知电源电压

  又∵P3=1W, ∴电流表示数

  又∵U额3=54V  ∴

  故电流表示数为0.056安,L3的额定功率为9瓦.

练习3:如图1所示,当变阻器的滑片P从b端向a端移动,变阻器的电阻减少12欧姆时,电路中的电流强度增大0.1安培,“6V3W”的小灯泡L恰能正常发光,求滑片P位于b端时,滑动变阻器消耗的功率。

 解析:灯泡的电阻RL==12欧变阻器滑片向a端滑动,灯泡L正常发光时,电流强度I==0.5安

 所以滑片P位于b端时,电流强度

 I’=0.5安-0.1安=0.4安

 设滑片在b端时,变阻器电阻为R,则滑片向a端滑动后电阻变为R-12欧,根据电源电压不变得:

 I’(RL+R)=I(RL+R-12欧)

 即0.4安×(12欧+R)=0.5安×(12欧+R-12欧)

 解得R=48欧

 所以PR=I’2R=(0.4安)2×48欧=7.68瓦

练习4:如图6所示,灯L的额定电压为8伏。当闭合开关S、滑片P在变阻器的中点c时,小灯泡正常发光,此时灯的电功率为PL;当滑片P滑到变阻器的最右端b时,灯的实际功率为P,此时变阻器的功率为4.5瓦,已知:PL:P=16:9。求电源电压和滑动变阻器的最大阻值。

 解析:设变阻器的最大阻值为R,则滑片P在中点c时,其阻值为Rc=R,已知两状态局部联系为:PL:P=16:9,所以

 

 从而U=UL=×8伏=6伏

 根据电源电压不变得:

 U=UL+·Rc= U+·R

 即8伏+=6伏+·R

 解得=1

 所以,当变阻器滑片位于b端时,由分压原理得:

 UR= U=U=6伏

 所以,U=UR+ U=6伏+6伏=12伏

 又PR=即4.5瓦=

 解得R=8欧

 [题1](2001年)如图1所示,电源电压恒定,滑动变阻器最大阻值为20欧。当S1断开,S2闭合,滑动变阻器滑片P位于变阻器的b端时,电压表V1示数为4伏;当S1闭合,S2断开,滑动变阻器滑片P位于变阻器中点时,电压表V1示数为2伏,电流表A1示数为0.4安,灯泡L2正常发光。求:  (1)此时电压表V3的示数为多少伏?  (2)灯泡L2的额定功率为多少瓦?(温度对灯丝电阻的影响忽略不计)  (1)当S1断开、S2闭合,滑动变阻器滑片P位于变阻器的b端时,灯L2与R0串联,灯L1被短接;R0=20欧,V1测R0两端电压,V3测电源电压,电路如图2所示,则有   ①    (2)当S1闭合,S2断开,P在中点时,灯L2与灯L1串联,R0被短路,V1测灯L1两端电压,V3测电源电压,电路如图3所示;则有   ②  联立①②得:U=6V,RL=10Ω,故V3=6V,=(0.4A)2×10Ω=1.6W。  [题2](2000年)如图4所示电路中,电源电压恒为8伏,电阻R1∶R2=1∶2。(1)若滑动变阻器的滑片P移至a端,当S1闭合、S2断开时,电流表示数为0.8安,再把S2也闭合,此时,电流表示数为1.2安,求滑动变阻器的最大阻值。  (2)若滑片P移至b端时,且S1、S2均闭合,此时电路消耗的总功率为多少?  (1)滑片P移到a端,S1闭合、S2断开时。Rab开路而R1被短接,等效电路如图5所示,故通过R2的电流I2=0.8安。  当滑片P在a端,S1、S2均闭合时,Rab与RL并联,R1被短接,等效电路如图6所示,干路中的电流I=1.2A,∴Iab=I-I2=1.2A-0.8A=0.4A,Rab==20欧,R2==10Ω,∴R1=5Ω。    (2)当滑片P移至b端、S1、S2均闭合,Rab与R1并联,R2被短接,等效电路如图7所示。故R=,P==16W。 

   分析与解:由得:     故“220V,60W”的灯泡电阻为:

   (欧姆)   “220V,25W”的灯泡电阻为:

   (欧姆)

   把它们串联起来接在220V的电路中,总电阻(欧姆)

   所以通过灯泡的电流强度为:

   (安培)   根据公式知:

   “220V,60W”的灯泡实际功率为:

   (瓦)   “220V,25W”的灯泡实际功率为:

   (瓦)

练习1.有两个分别标有“6V 3W”和“6V 6W”的灯泡,若将它们串联在电路中,使其中一个灯泡能正常发光,则加在串联电路两端的电压是(   )

A.9伏      B.12伏    C.18伏    D.6伏

故A正确。

练习2.灯L1和L2分别标有“4V 8W”和“8V 32W”,把它们与“4A 10Ω”的滑动变阻器串联后接在12伏的电源上,如图19-1所示,当滑片Pba滑动时,若电阻不随温度变化,则

A.两灯都变亮,且一样亮

B.两灯都变亮,因为L2的额定功率大,所以比L1更亮

C.两灯都变亮,且L1首先正常发光

D.两灯都变亮,且L1可能先烧毁

C、D正确。

   例3. 标有“220V,40W”的灯泡,接在电压为110伏的电路中,它的实际功率是多大?

   解法1:根据

   “220V,40W”灯泡的电阻为

   (欧姆)

   将此电阻接在110伏的电压上,实际功率为:

   (瓦)

   解法2:由于不变

   所以

   又

   则(瓦)

可以看出:解法2比解法1简捷、快速。

例4.两个用电器并联起来接在电压不变的电源上,它们的功率分别为P1和P2,如果把它们串联起来仍接在同一电源上,则它们的总功率应是(   )

A.P1+P2       B.      C.   D.

故C正确。

 0  144759  144767  144773  144777  144783  144785  144789  144795  144797  144803  144809  144813  144815  144819  144825  144827  144833  144837  144839  144843  144845  144849  144851  144853  144854  144855  144857  144858  144859  144861  144863  144867  144869  144873  144875  144879  144885  144887  144893  144897  144899  144903  144909  144915  144917  144923  144927  144929  144935  144939  144945  144953  447348 

违法和不良信息举报电话:027-86699610 举报邮箱:58377363@163.com

精英家教网