2.在玻璃、碳、铜、橡胶、人体、陶瓷、铝、干燥的木材、油中,__________是导体;__________是绝缘体.
1.电源是提供__________的装置.干电池的碳棒是它的__________极,锌筒是它的__________极.
7.(04年广东)物理课后,小南和小雄将一块铜片和一块锌片插入西红柿,做成了一个“西红柿电池”如图5-7-8所示。小南和小雄想探究“西红柿电池的电压大小与哪些因素有关”,小雄说:“可能与两金属片之间的距离有关”,小南想了想说:“也可能与两金属片插入西红柿的深度有关”。为了验证猜想是否正确,他们找来了电压表,连成了如图5-7-8所示的电路.
(1)请你选择其中一个猜想,并提出验证的方法:
(2)目前人们乱扔废旧电池的现象非常普遍,请你针对这种现象,给有关部门提出一条合理建议:______________________________________________________________.
6.(04年长春)小明在做“组成串联电路”的实验时,电路连好后,闭合开关,两灯均不亮,经检查电路连接无误,老师告诉他是一个小灯泡坏了。请你帮助小明在导线、电流表、电压表中任选一种,连入电路,检测出哪只灯泡坏了。并画出检测电路图。
所选器材:____________________________________________________________
现象及结论:_______________________
5.(05年广东)关于如图5-7-7所示的闸刀开关说法不正确的是( )
A.瓷柄是绝缘体
B.胶盖是绝缘体
C.动触头是绝缘体
D.静触头是导体
4.(05年广东)如图所示的三孔插座,与孔1相连的是( )
A. 零线 B. 火线
C. 地线 D. 以上三种线都可以
3.(04年临析)在图5-7-6所示的四个电路图中,哪一个电路图是正确的( )
A.图甲所示的 B.图乙所示的
C.图丙所示的 D.图丁所示的
2.(04年广东)图5-7-5所示的四种使用测电笔的方法中,正确的是 ( )
2.有三只规格相同的灯泡组成的电路,如果其中任意一只灯泡突然熄灭,其余两只灯泡仍在正常工作,那么可以肯定( )
A.一定是串联 B.一定是并联 C.一定是混联 D.都有可能
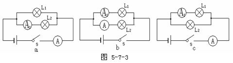
例2.(01年沈阳)如图5-7-2电路,灯L1和L2并联,要测出两个支路上的电流和干路上的电流,但现在只有二只电流表,你有几种方法,请说出来并画出电路图。
思路导航:根据并联电路电流的规律,干路电流I等于两个支路I1和I2之和,即I = I1 +I2,那么第一种方法就是测出I1和I2,利用公式I= I1 +I2求出I。第二种方法是测出I和I1。再根据公式I2 =I-I1求出I2,第三种方法是用电流表直接测出I和I2,再利用公式I1 = I-I2求出I1。
答案:一共有三种方法,其电路图分别如(图5-7-3a、b、c)。
学法指津:充分利用学过的物理知识来解决身边的问题是我们学习知识的意义。注意观察生活、多动脑。
练习:1.(04年广东)图5-7-4的四个电路中与右边实物图对应的是( )
家庭电路的电灯开关应该接在火线和灯泡之间还是接在零线和灯泡之间?试从安全用电的角度来分析为什么这样接。