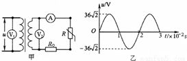
(1)①一个原、副线圈匝数比为10:1的理想变压器,副线圈上接阻值为R=10Ω的电热器,原线圈接在一交流电源上,它的电压表达式为u=200cos314tV,则电热器的发热功率为______W.
②用游标为10分度(测量值可准确到0.1mm)的卡尺测量小球的直径.某次测量的示数如图所示,读出小球直径d的值为______mm.

(2)用伏安法测量一个定值电阻的阻值,除待测电阻Rx(约lkΩ)以外,实验室提供的器材如下:
A.直流毫安表:量程0~5mA,内阻约10Ω
B.直流毫安表:量程0~100mA,内阻约0.5Ω
C.直流电压表:量程0~3V,内阻约3kΩ
D.滑动变阻器:阻值范围0~20Ω,允许最大电流为lA
E.直流电源:输出电压为6V,内阻小计
F.开关一个,导线若干条
要求测量精度尽可能高
①电流表应选择______(填器材前面的符号):
②请画出实验电路图.
(3)验证机械能守恒定律的实验装置如图甲所示.某同学利用纸带进行研究:从点迹较密处选一个清晰点作为起始点0,然后依次取测量点l、2、3、4、5,再测量出各测量点到0点的距离hl、h2、h3、h4、h5,如图乙所示.
已知实验时计时器所用交变电流的频率为f,他利用正确的方法依次算出了各点的速度vi(i=l、2、3、4、5).

①该同学计算点4的速度的表达式是______.
②他依次算出了vi2的大 小;然后以vi2为纵轴,hi(i=1、2、3、4、5)为横轴建立坐标系,依次标出(hi,vi2),用平滑的曲线拟合这些点得到的图象如图丙所示,以下验证重物下落过程中机械能是雷守恒的方法,可行的是______
A.任取图线上的一点(hi,vi2),验证等式是否成立.
B.在图线上任取两个点m、n,验证等式是否成立
C.计算图线的斜率,看斜率k是否等于重力加速度g
D.计算图线的斜率,看斜率k是否等于重力加速度g的2倍.
火箭是利用反冲原理工作的重要航天运输工具.
(1)我国长征3号甲火箭在起飞阶段,通过发动机喷射气体而获得的反冲力约为火箭总重量的2倍左右.假设在它刚刚起飞后竖直上升的某时刻,火箭的速度大小为v,在此后一个较短的时间t内,发动机喷出的气体质量为△m,喷出的气体相对于地面的速度方向向下,大小为u,求这一段时间内火箭受到的反冲力大小.(计算时忽略喷出气体的重力大小,且认为此段时间内火箭受到的反冲力大小不变)
(2)火箭有单级和多级之分,多级火箭就是把火箭一级一级地接在一起,第一级燃料用完之后把箭体抛弃,减轻负担,然后第二级开始工作,燃料用完之后再把第二级抛弃…,因此从理论上讲,多级火箭能比单级火箭获得更大的速度.
某同学分别建立了以下两个力学模型来粗略地模拟单级火箭和二级火箭在水平飞行时的工作过程,如图甲、乙所示.甲图中的光滑水平面上并排静止放置有质量分别为2m和m的两个物块A、B,它们之间粘有微量的炸药C,爆炸时释放出的能量为2△E;乙图中光滑水平面上并排静止放置有质量均为m的三个物块D、F、G,D、F之间和F、G之间分别粘有微量的炸药P和Q,通过控制使炸药Q先爆炸,炸药P后爆炸,Q和P爆炸时释放出的能量均为△E.所有炸药的质量都忽略不计,爆炸的时间极短,爆炸产生的能量都转化为机械能,爆炸后所有物块的速度方向在同一直线上.求所有的爆炸都发生后物块D的速度是物块A的速度的倍数.

 0  71234  71242  71248  71252  71258  71260  71264  71270  71272  71278  71284  71288  71290  71294  71300  71302  71308  71312  71314  71318  71320  71324  71326  71328  71329  71330  71332  71333  71334  71336  71338  71342  71344  71348  71350  71354  71360  71362  71368  71372  71374  71378  71384  71390  71392  71398  71402  71404  71410  71414  71420  71428  176998 

违法和不良信息举报电话:027-86699610 举报邮箱:58377363@163.com

精英家教网