(1)某实验小组利用如图甲所示的实验装置来验证钩码和滑块所组成的系统机械能守恒.本次实验中已测量出的物理量有:钩码的质量m、滑块的质量M、滑块上的遮光条由图示初始位置到光电门的距离s.
①实验前需要调整气垫导轨底座使之水平,其方法是:接通气源,将滑块置于气垫导轨任意位置上,(未挂钩码前)若 则说明导轨是水平的.
②如图乙所示,用游标卡尺测得遮光条的宽度d= cm;实验时挂上钩码,将滑块从图示初始位置由静止释放,由数字计时器读出遮光条通过光电门的时间△t,则可计算出滑块经过光电门时的瞬时速度.
③实验中又测量出相关物理量:钩码的质量m、滑块的质量M、滑块上的遮光条由图示初始位置到光电门的距离s.本实验通过比较 和 在实验误差允许的范围内相等(用物理量符号表示),即可验证系统的机械能守恒.
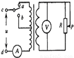
(2)物质材料的电阻率的往往随温度的变化而变化,一般金属材料的电阻率随温度的升高而增大,而半导体材料的电阻率随温度的升高而减小.某课题研究组需要研究某种导电材料的导电规律,他们选用的器材有:
用该种导电材料制作而成的电阻较小的元件Z;
电压表V(量程3V,内阻约3kΩ);
电流表A(量程3A,内阻约0.05Ω);
电源E(电动势2V,内阻不计)
滑动变阻器R(最大阻值约1Ω)、开关S、导线.
同学甲实验测得元件Z的电压与电流的关系如下表所示,
①甲同学在实验过程中,采用的电路图是图丙中的
②根据甲同学的实验数据,可判断元件Z是 材料(填“金属”或“半导体”)
③乙同学采用同样的方法进行实验,检查实验电路连接正确,然后闭合开关,调节滑动变阻器滑动头,发现电流表和电压表指针始终不发生偏转.在不断开电路的情况下,检查电路故障,应该使用多用电表 挡(填“欧姆x10”、“直流电压 2.5V”、“直流电流 2.5mA”),检查过程中将多用表的红、黑表笔与电流表“+”、“-”接线柱接触时,多用电表指针发生较大偏转,说明电路故障是 .
0 70803 70811 70817 70821 70827 70829 70833 70839 70841 70847 70853 70857 70859 70863 70869 70871 70877 70881 70883 70887 70889 70893 70895 70897 70898 70899 70901 70902 70903 70905 70907 70911 70913 70917 70919 70923 70929 70931 70937 70941 70943 70947 70953 70959 70961 70967 70971 70973 70979 70983 70989 70997 176998
①实验前需要调整气垫导轨底座使之水平,其方法是:接通气源,将滑块置于气垫导轨任意位置上,(未挂钩码前)若 则说明导轨是水平的.
②如图乙所示,用游标卡尺测得遮光条的宽度d= cm;实验时挂上钩码,将滑块从图示初始位置由静止释放,由数字计时器读出遮光条通过光电门的时间△t,则可计算出滑块经过光电门时的瞬时速度.
③实验中又测量出相关物理量:钩码的质量m、滑块的质量M、滑块上的遮光条由图示初始位置到光电门的距离s.本实验通过比较 和 在实验误差允许的范围内相等(用物理量符号表示),即可验证系统的机械能守恒.
(2)物质材料的电阻率的往往随温度的变化而变化,一般金属材料的电阻率随温度的升高而增大,而半导体材料的电阻率随温度的升高而减小.某课题研究组需要研究某种导电材料的导电规律,他们选用的器材有:
用该种导电材料制作而成的电阻较小的元件Z;
电压表V(量程3V,内阻约3kΩ);
电流表A(量程3A,内阻约0.05Ω);
电源E(电动势2V,内阻不计)
滑动变阻器R(最大阻值约1Ω)、开关S、导线.
同学甲实验测得元件Z的电压与电流的关系如下表所示,
| U/V | 0.40 | 0.60 | 0.80 | 1.00 | 1.20 | 1.50 | |
| I/A | 0.20 | 0.45 | 0.80 | 1.25 | 1.80 | 2.80 |
②根据甲同学的实验数据,可判断元件Z是 材料(填“金属”或“半导体”)
③乙同学采用同样的方法进行实验,检查实验电路连接正确,然后闭合开关,调节滑动变阻器滑动头,发现电流表和电压表指针始终不发生偏转.在不断开电路的情况下,检查电路故障,应该使用多用电表 挡(填“欧姆x10”、“直流电压 2.5V”、“直流电流 2.5mA”),检查过程中将多用表的红、黑表笔与电流表“+”、“-”接线柱接触时,多用电表指针发生较大偏转,说明电路故障是 .