(1)读出以下螺旋测微器的测量结果______mm.
(2)在“用电流表和电压表测定电池的电动势和内电阻”的实验中.
①备有如下器材:
A.干电池1节; B.滑动变阻器(0~20Ω);
C.滑动变阻器(0~1kΩ); D.电压表(0~3V,内阻约2kΩ);
E.电流表(0~0.6A,内阻约2Ω); F.电流表(0~3A);
G.开关、导线若干
其中滑动变阻器应选______,电流表选______.(只填器材前的序号)
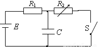
②用实线代表导线把图甲所示的实物连接成测量电路(图中有部分线路已连好).
③某同学记录的实验数据如下表所示,试根据这些数据在图中画出U-I图线,根据图线,得到被测电池的电动势E=______V,内电阻r=______Ω.

0 66567 66575 66581 66585 66591 66593 66597 66603 66605 66611 66617 66621 66623 66627 66633 66635 66641 66645 66647 66651 66653 66657 66659 66661 66662 66663 66665 66666 66667 66669 66671 66675 66677 66681 66683 66687 66693 66695 66701 66705 66707 66711 66717 66723 66725 66731 66735 66737 66743 66747 66753 66761 176998
(2)在“用电流表和电压表测定电池的电动势和内电阻”的实验中.
①备有如下器材:
A.干电池1节; B.滑动变阻器(0~20Ω);
C.滑动变阻器(0~1kΩ); D.电压表(0~3V,内阻约2kΩ);
E.电流表(0~0.6A,内阻约2Ω); F.电流表(0~3A);
G.开关、导线若干
其中滑动变阻器应选______,电流表选______.(只填器材前的序号)
②用实线代表导线把图甲所示的实物连接成测量电路(图中有部分线路已连好).
③某同学记录的实验数据如下表所示,试根据这些数据在图中画出U-I图线,根据图线,得到被测电池的电动势E=______V,内电阻r=______Ω.
| 1 | 2 | 3 | 4 | 5 | 6 | |
| I/A | 0.12 | 0.20 | 0.31 | 0.32 | 0.50 | 0.57 |
| U/V | 1.37 | 1.32 | 1.24 | 1.18 | 1.10 | 1.05 |