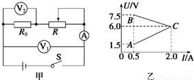
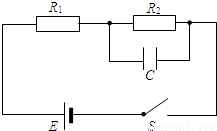
0  66327  66335  66341  66345  66351  66353  66357  66363  66365  66371  66377  66381  66383  66387  66393  66395  66401  66405  66407  66411  66413  66417  66419  66421  66422  66423  66425  66426  66427  66429  66431  66435  66437  66441  66443  66447  66453  66455  66461  66465  66467  66471  66477  66483  66485  66491  66495  66497  66503  66507  66513  66521  176998 

违法和不良信息举报电话:027-86699610 举报邮箱:58377363@163.com

精英家教网