搜索
农民在精选谷种时,常用一种叫“风车”的农具进行分选.在同一风力作用下,谷种和瘪谷(空壳)谷粒都从洞口水平飞出,结果谷种和瘪谷落地点不同,自然分开,如图所示.若不计空气阻力,对这一现象,下列分析正确的是( )
A.谷种飞出洞口时的速度比瘪谷飞出洞口时的速度大些
B.谷种和瘪谷飞出洞口后都做匀变速曲线运动
C.谷种和瘪谷从飞出洞口到落地的时间不相同
D.M处是谷种,N处为瘪谷
一质量为m的物体,用长为L的细线悬挂于O点,在O点正下方
处钉有一根长钉,把悬线沿水平方向拉直后无初速释放,当细线碰到钉子瞬间,下列说法错误的是( )
A.小球的线速度突然增大
B.小球的角速度突然增大
C.小球的向心加速度突然增大
D.悬线拉力突然增大
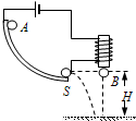
如图所示,在研究平抛运动时,小球A沿轨道滑下,离开轨道末端(末端水平)时撞开接触开关S,被电磁铁吸住的小球B同时自由下落,改变整个装置的高度H做同样的实验,发现位于同一高度的A、B两个小球总是同时落地,该实验现象说明了A球在离开轨道后( )
A.水平方向的分运动是匀速直线运动
B.水平方向的分运动是匀加速直线运动
C.竖直方向的分运动是自由落体运动
D.竖直方向的分运动是匀速直线运动
关于做匀速圆周运动的物体的线速度、角速度、周期与向心加速度的关系,下列说法中正确的是( )
A.角速度大的向心加速度一定大
B.线速度大的向心加速度一定大
C.线速度与角速度乘积大的向心加速度一定大
D.周期小的向心加速度一定大
有一种杂技表演叫“飞车走壁”,由杂技演员驾驶摩托车沿圆台形表演台的侧壁,做匀速圆周运动.右图中粗线圆表示摩托车的行驶轨迹,轨迹离地面的高度为h,下列说法中正确的是( )
A.h越高,摩托车对侧壁的压力将越大
B.h越高,摩托车做圆周运动的向心力将越大
C.h越高,摩托车做圆周运动的周期将越小
D.h越高,摩托车做圆周运动的线速度将越大
如图所示,一物体自倾角为θ的固定斜面顶端水平抛出后落在斜面上,物体与斜面接触时速度与水平方向的夹角φ满足( )
A.tanφ=sinθ
B.tanφ=cosθ
C.tanφ=tanθ
D.tanφ=2tanθ
某质点做曲线运动时( )
A.在某一点的速度方向是该点曲线的切线方向
B.在任意时间内的位移总是大于路程
C.在某段时间里质点受到的合外力可能为零
D.速度的方向与合外力的方向必不在同一条直线上
图中所示为一皮带传动装置,右轮的半径为r,a是它边缘上的一点.左侧是一轮轴,大轮的半径为4r,小轮的半径为2r.b点在小轮上,到小轮中心的距离为r.c点和d点分别位于小轮和大轮的边缘上.若在传动过程中,皮带不打滑.则( )
A.a点与d点的向心加速度大小相等
B.a点与b点的角速度大小相等
C.d点与b点的线速度大小相等
D.a点与b点的线速度大小相等
关于互成角度运动的合成,下列说法中正确的是( )
A.合速度的大小一定比每个分速度的大小都大
B.合运动的时间等于两个分运动经历的时间之和
C.两个匀速直线运动的合运动一定也是匀速直线运动
D.只要两个分运动是直线运动,合运动一定也是直线运动
在地面上观察下列物体的运动,其中物体做曲线运动的是( )
A.向东运动的质点受到一个向西的力的作用
B.正在竖直上升的气球突然遭遇一阵北风
C.河水匀速流动,正在河里匀速驶向对岸的汽艇
D.在以速度v行驶的列车上,以相对列车的速度v水平向前抛出的一个小球
0
64588
64596
64602
64606
64612
64614
64618
64624
64626
64632
64638
64642
64644
64648
64654
64656
64662
64666
64668
64672
64674
64678
64680
64682
64683
64684
64686
64687
64688
64690
64692
64696
64698
64702
64704
64708
64714
64716
64722
64726
64728
64732
64738
64744
64746
64752
64756
64758
64764
64768
64774
64782
176998
关 闭
试题分类
高中
数学
英语
物理
化学
生物
地理
初中
数学
英语
物理
化学
生物
地理
小学
数学
英语
其他
阅读理解答案
已回答习题
未回答习题
题目汇总
试卷汇总
练习册解析答案