某同学在研究标有“3V,0.3A”字样的小电珠的伏安特性曲线的实验中得到一组U和I的数据:
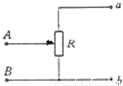
(1)在方框内画出实验电路图
(2)在方格纸内画出I-U图线
(3)根据I-U图线分析小电珠的电阻随温度升高而______
(4)小电珠工作电压为3V时,测得实际电功率为______W

0 64314 64322 64328 64332 64338 64340 64344 64350 64352 64358 64364 64368 64370 64374 64380 64382 64388 64392 64394 64398 64400 64404 64406 64408 64409 64410 64412 64413 64414 64416 64418 64422 64424 64428 64430 64434 64440 64442 64448 64452 64454 64458 64464 64470 64472 64478 64482 64484 64490 64494 64500 64508 176998
| 编号 | 1 | 2 | 3 | 4 | 5 | 6 | 7 | 8 |
| U/V | 0.20 | 0.60 | 1.00 | 1.40 | 1.80 | 2.20 | 2.60 | 3.00 |
| I/A | 0.020 | 0.060 | 0.100 | 0.140 | 0.170 | 0.190 | 0.200 | 0.205 |
(2)在方格纸内画出I-U图线
(3)根据I-U图线分析小电珠的电阻随温度升高而______
(4)小电珠工作电压为3V时,测得实际电功率为______W