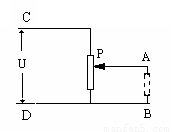
在测量一节干电池的电动势和内电阻的实验中,实验电路图如图所示。调节滑动变阻器测得几组电流、电压的数据:
|
电流表读数I/A |
1.72 |
1.35 |
0.98 |
0.63 |
0.34 |
|
电压表读数U/V |
1.88 |
1.91 |
1.93 |
1.97 |
1.99 |
![]()
(1)作出电源路端电压U随电流变化的U-I图象,要求尽量作满坐标线,并能清楚看出变化规律。
(2)根据图象得出电源的电动势 V和内电阻 Ω(有效数字跟表格内数据一致)
(3)实验中要求电流表测量通过电池的电流,电压表测量电池两极的电压。根据图示的电路电流表测量值 真实值(选填“大于”或“小于”)。写出现一条能减少这一误差的改进办法 。
一台国产XQB30-13型全自动洗衣机说明书中所列的主要技术数据如下表,试根据表中提供的数据计算:
|
额定电压 |
220V |
|
额定频率 |
50Hz |
|
额定洗衣、脱水功率 |
360W |
|
额定洗衣、脱水容量 |
3kg |
|
整机质量 |
33kg |
|
外形尺寸(长×宽×高) |
(542×550×920)mm3 |
(1)这台洗衣机正常洗衣时,通过洗衣机的电流强度是多大?
(2)如洗衣、脱水的累计时间为40min,则洗衣机耗电多少?
(3)有人用
,得到
,估算出洗衣机的内阻约为134Ω. 他的估算方法对吗?说明理由.