下面是在测某电池的电动势和内电阻的实验中记录的六组数据。请在直角坐标系中画出U-I图象,并根据图象算出待测电池的电动势和内电阻。![]()
① 池的电动 势为________V
②此电池的内阻为________Ω
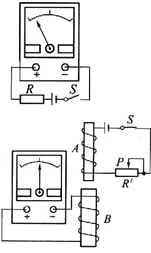
如图所示器材可用来研究电磁感应现象及判定感应电流方向。![]()
(1)在给出的实物中,用笔线代表导线将图中所缺的导线补接完整,组成实验电路。
(2)在实验中,当电键闭合瞬时,观察到电流表指针向右偏转。电键闭合一段时间后,为使电流表指针向左偏转,可采取的方法有( )(多选)
| A.迅速断开电源 |
| B.将滑动触头向右端滑动 |
| C.将一软铁棒插入线圈L1中 |
| D.将线圈L1迅速从线圈L2中提出 |
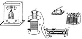
某同学在做多用电表测未知电阻的实验中:![]()
(1)测量某电阻时,用“×100W”档时发现指针偏转角度过大,他应该换用_________档(填“×10W”或“×1kW”),换档后,先要______________。
(2)换挡后,按正确的操作步骤测某电阻R的阻值,表盘的示数如上图,则该电阻R的阻值约为__________Ω。
(3)该同学想用伏安法更精确地测量电阻R,现有的器材及其代号和规格如下:
| 电流表A1(量程0~4mA,内阻约50Ω) | 电流表A2(量程0~15mA,内阻约30Ω) |
| 电压表V1(量程0~3V,内阻约20kΩ) | 电压表V2(量程0~15V,内阻约25kΩ) |
| 滑动变阻器R1(0~15Ω,允许通过的最大电流2.0A) | 滑动变阻器R2(0~2kΩ,允许通过的最大电流0.5A) |
| 直流电源E(电动势4V,内阻不计) | |
(4)在答案卷上相应方框内画出最合理的实验电路图,并标明所用器材的代号。