在某交流电电路中,有一个正在工作的变压器,它的原线圈匝数n1= 600匝,电源电压为U1= 220V,原线圈串联一个0.2A的保险丝,副线圈n2 = 120匝,为保证保险丝不被烧断,则( )
| A.负载功率不能超过44W | B.副线圈电流最大值不能超过1A |
| C.副线圈电流有效值不能超过1A | D.副线圈电流有效值不能超过0.2A |
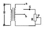
如图所示电路中的变压器为一理想变压器,S为单刀双掷开关,P是滑动变阻器的滑动触头,原线圈两端接电压恒定的交变电流,则能使原线圈的输入功率变大的是( )![]()
| A.保持P的位置不变,S由b切换到a |
| B.保持P的位置不变,S由a切换到b |
| C.S置于b位置不动,P向上滑动 |
| D.S置于b位置不动,P向下滑动 |
某交流电源的电动势与时间呈正弦函数关系如图所示,此电源与一个R=10Ω的电阻构成闭合电路,不计其他电阻,下列说法正确的是![]()
| A.交变电流的周期为0.02s |
| B.交变电流的频率为0.5Hz |
| C.交变电流的有效值为2 |
| D.交变电流的有效值为2A |
关于日光灯的镇流器,下列说法中正确的有:
| A.镇流器产生的瞬时高压是来源于起动器两触片接通再断开的瞬间 |
| B.镇流器在工作中总是产生高电压的 |
| C.因为镇流器对交流电有较大的阻碍作用,所以在日光灯正常工作后,镇流器起着降压限流的作用 |
| D.工作时维持灯管两端有高于电源的电压,使灯管正常工作 |
如图所示是观察电阻值随温度变化情况的示意图.现在把杯中![]()
的水由冷水变为热水,关于欧姆表的读数变化情况正确的是
( )
| A.如果R为金属热电阻,读数变大,且变化非常明显 |
| B.如果R为金属热电阻,读数变小,且变化不明显 |
| C.如果R为热敏电阻(用半导体材料制作),读数变化非常明显 |
| D.如果R为热敏电阻(用半导体材料制作),读数变化不明显 |