题目内容
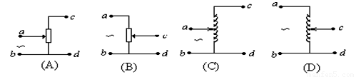
图中,a、b为输入端,接交流电源,c、d为输出端,则输出电压大于输入电压的电路是
C
解析
图4-12
A.A图中Uab<Ucd B.B图中Uab>Ucd
C.C图中Uab<Ucd D.D图中Uab>Ucd