题目内容

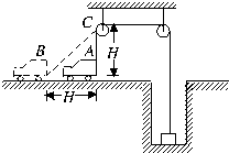
图中,AB=AC=H,开始时绳AC处于竖直方向,小车从静止出发在水平路面上运动到B点时速度为v,在此过程中绳子对挂在井底、质量为m的物体做了多少功?

 

【答案】

mv2+(-1)mgH

【解析】绳子对挂在井底的物体做的功物体克服重力做的功等于物体动能的增加。

将绳末端B的速度v分解为沿绳的速度分量v1和垂直绳的速度分量v2

如图所示,则井中物体获得的速度等于  v1=v cosθ  

井中物体上升的高度即等于拉过去的绳长,即

h=HH=(-1)H  

则由动能定理可得  W mgh=mv12  

得  W=mv2+(-1)mgH   

思路分析:绳子对挂在井底的物体做的功物体克服重力做的功等于物体动能的增加。根据运动的合成与分解求出井中物体的速度,v1=v cosθ根据绳长的的变化求出物体上升的高度h=HH=(-1)H;最后根据动能定理求拉力做的功。

试题点评:考查运动的合成与分解问题综合动能定理求解拉力做功问题。综合能力较强,学生易在求速度时出错。

 

练习册系列答案
相关题目
选做题(请从A、B和C三小题中选定两小题作答,并在答题卡上把所选题目对应字母后的方框涂满涂黑.如都作答则按A、B两小题评分.)
A. (选修模块3-3)
(1)一定质量的理想气体发生等容变化,下列图象正确的是
C
C

(2)将剩有半杯热水的玻璃杯盖子旋紧后经过一段时间,若玻璃杯盖子不漏气,则杯内水蒸汽分子内能
减小
减小
  (填“增大”、“减小”或“不变”),杯内气体压强
减小
减小
  (填“增大”、“减小”或“不变”).
(3)如图气缸放置在水平地面上,缸内封闭一定质量的理想气体,活塞横截面积为S,外界大气压强为p0,气缸内电热丝热功率为P,测得通电时间t内活塞缓慢向左移动距离为h,气缸向外界放出热量为Q,不计活塞与气缸之间的摩擦,则在时间t内缸内气体内能的变化量为
Pt-p0Sh-Q
Pt-p0Sh-Q


B.(选修模块3-4)
(1)下列说法中正确的是
D
D

A.X射线穿透物质的本领比γ射线更强
B.在电磁波发射技术中,使电磁波随各种信号而改变的技术叫做调谐
C.同一列声波在不同介质中传播速度不同,光波在不同介质中传播速度相同
D.爱因斯坦狭义相对论指出:真空中的光速在不同的惯性参考系中都是相同的
(2)如图1所示是一列沿x轴正方向传播的简谐横波在t=0时刻的波形图,已知波的传播速度v=2m/s.试回答下列问题:

①写出x=0.5m处的质点做简谐运动的表达式:
y=5cos2πt
y=5cos2πt
 cm;
②x=0.5m处质点在0~5.5s内通过的路程为
110
110
   cm.
(3)(4分)直角玻璃三棱镜的截面如图2所示,一条光线从AB面入射,ab为其折射光线,ab与AB面的夹角α=60°.已知这种玻璃的折射率n
2
,则:
①这条光线在AB面上的入射角为
45°
45°

②图中光线ab
不能
不能
(填“能”或“不能”)从AC面折射出去.
C. (选修模块3-5)幅图涉及到不同的物理知识,其中说法正确的是
AB
AB
 
A.图甲:普朗克通过研究黑体辐射提出能量子的概念,成为量子力学的奠基人之一
B.图乙:玻尔理论指出氢原子能级是分立的,所以原子发射光子的频率也是不连续的
C.图丙:卢瑟福通过分析α粒子散射实验结果,发现了质子和中子
D.图丁:根据电子束通过铝箔后的衍射图样,可以说明电子具有粒子性
(2)(4分)目前核电站是利用核裂变产生的巨大能量来发电的.请完成下面铀核裂变可能的一个反应方程:
 
235
52
U
+
1
0
n
141
56
Ba
+
92
36
Kr+
310n
310n
.已知
 
235
52
U
 
141
56
Ba
 
92
36
Kr
和中子的质量分别为m1、m2、m3和m4,则此反应中一个铀核裂变释放的能量为
(m1-m2-m3-2m4)c2
(m1-m2-m3-2m4)c2

(3)一同学利用水平气垫导轨做《探究碰撞中的不变量》的实验时,测出一个质量为0.8kg的滑块甲以0.4m/s的速度与另一个质量为0.6kg、速度为0.2m/s的滑块乙迎面相撞,碰撞后滑块乙的速度大小变为0.3m/s,此时滑块甲的速度大小为
0.025
0.025
 m/s,方向与它原来的速度方向
相同
相同
(选填“相同”或“相反”).
选做题(请从A、B和C三小题中选定两小题作答,并在答题卡上把所选题目对应字母后的方框涂满涂黑.如都作答则按A、B两小题评分.)
A. (选修模块3-3)
(1)一定质量的理想气体发生等容变化,下列图象正确的是______.
(2)将剩有半杯热水的玻璃杯盖子旋紧后经过一段时间,若玻璃杯盖子不漏气,则杯内水蒸汽分子内能______  (填“增大”、“减小”或“不变”),杯内气体压强______  (填“增大”、“减小”或“不变”).
(3)如图气缸放置在水平地面上,缸内封闭一定质量的理想气体,活塞横截面积为S,外界大气压强为p0,气缸内电热丝热功率为P,测得通电时间t内活塞缓慢向左移动距离为h,气缸向外界放出热量为Q,不计活塞与气缸之间的摩擦,则在时间t内缸内气体内能的变化量为______.

B.(选修模块3-4)
(1)下列说法中正确的是______
A.X射线穿透物质的本领比γ射线更强
B.在电磁波发射技术中,使电磁波随各种信号而改变的技术叫做调谐
C.同一列声波在不同介质中传播速度不同,光波在不同介质中传播速度相同
D.爱因斯坦狭义相对论指出:真空中的光速在不同的惯性参考系中都是相同的
(2)如图1所示是一列沿x轴正方向传播的简谐横波在t=0时刻的波形图,已知波的传播速度v=2m/s.试回答下列问题:

①写出x=0.5m处的质点做简谐运动的表达式:______ cm;
②x=0.5m处质点在0~5.5s内通过的路程为______   cm.
(3)(4分)直角玻璃三棱镜的截面如图2所示,一条光线从AB面入射,ab为其折射光线,ab与AB面的夹角α=60°.已知这种玻璃的折射率n,则:
①这条光线在AB面上的入射角为______;
②图中光线ab______(填“能”或“不能”)从AC面折射出去.
C. (选修模块3-5)幅图涉及到不同的物理知识,其中说法正确的是______ 
A.图甲:普朗克通过研究黑体辐射提出能量子的概念,成为量子力学的奠基人之一
B.图乙:玻尔理论指出氢原子能级是分立的,所以原子发射光子的频率也是不连续的
C.图丙:卢瑟福通过分析α粒子散射实验结果,发现了质子和中子
D.图丁:根据电子束通过铝箔后的衍射图样,可以说明电子具有粒子性
(2)(4分)目前核电站是利用核裂变产生的巨大能量来发电的.请完成下面铀核裂变可能的一个反应方程:______.已知和中子的质量分别为m1、m2、m3和m4,则此反应中一个铀核裂变释放的能量为______;
(3)一同学利用水平气垫导轨做《探究碰撞中的不变量》的实验时,测出一个质量为0.8kg的滑块甲以0.4m/s的速度与另一个质量为0.6kg、速度为0.2m/s的滑块乙迎面相撞,碰撞后滑块乙的速度大小变为0.3m/s,此时滑块甲的速度大小为______ m/s,方向与它原来的速度方向______(选填“相同”或“相反”).

违法和不良信息举报电话:027-86699610 举报邮箱:58377363@163.com

精英家教网