题目内容
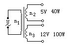
如下图的理想变压器,它的初级线圈接在交流电源上,次级线圈接一个标有“12V、100W”的灯泡,已知变压器初、次级线圈的匝数比18∶1,那么小灯泡正常工作时,图中的电压表的读数为________V,电流表的读数为________A.
答案:216,46
练习册系列答案
相关题目
题目内容
如下图的理想变压器,它的初级线圈接在交流电源上,次级线圈接一个标有“12V、100W”的灯泡,已知变压器初、次级线圈的匝数比18∶1,那么小灯泡正常工作时,图中的电压表的读数为________V,电流表的读数为________A.