题目内容
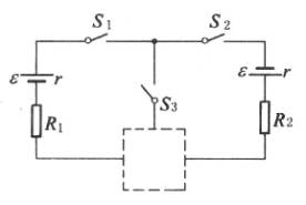
如图所示电路,两电源相同,ε=60V,r=2Ω,R1=8Ω,R2=2Ω,虚线框内有一个6Ω和8Ω电阻组成的未知电路。当只闭合S1、S2时,回路电流为6A;当只闭合S2、S3时,回路电流为5A。求当只闭合S1、S3时回路的电流。
答案:2.5A
提示:
提示:
| 闭合电路的欧姆定律的应用。
|
练习册系列答案
相关题目
题目内容
如图所示电路,两电源相同,ε=60V,r=2Ω,R1=8Ω,R2=2Ω,虚线框内有一个6Ω和8Ω电阻组成的未知电路。当只闭合S1、S2时,回路电流为6A;当只闭合S2、S3时,回路电流为5A。求当只闭合S1、S3时回路的电流。
| 闭合电路的欧姆定律的应用。
|