题目内容

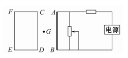
如图所示,CDEF为闭合线圈,AB为电阻丝.当滑动变阻器的滑动触头向下滑动时,线圈CDEF中的感应电流在G处产生的磁感应强度的方向是“·”时,电源的哪一端是正极?

 

【答案】

下端

【解析】当线圈CDEF中的感应电流在G处产生的磁感应强度的方向是“·”时,它在线圈内部产生磁感应强度方向应是“×”,根据电路知识,电路中AB的电流是增大的,由楞次定律知,线圈CDEF中感应电流的磁场要和原磁场方向相反,AB中增强的电流在线圈内部产生的磁感应强度方向是“·”,所以,AB中电流的方向是由B流向A,故电源的下端为正极.

 

练习册系列答案
相关题目

违法和不良信息举报电话:027-86699610 举报邮箱:58377363@163.com

精英家教网