题目内容

如图所示,一粗细均匀的电阻为r的金属圆环,其直径为l,匀强磁场的磁感强度为B,方向垂直纸面向里,分布整个环面.一根长也为l,电阻为r的金属棒ab对称地放在环上,并以速度v匀速向左运动.当ab棒运动到环中间虚线所示的位置时,金属棒ab两端的电势差为多少?

 

答案:
解析:

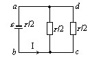
解:电路如图

EBlv

I

UbaIR·Blv

 


提示:


练习册系列答案
相关题目

违法和不良信息举报电话:027-86699610 举报邮箱:58377363@163.com

精英家教网