一组按规律排列的式子:,,,,…,则第n个式子是________(n为正整数).
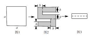
如图1,将一个边长为 的正方形纸片剪去两个小矩形,得到一个“”的图案,如图2所示,再将剪下的两个小矩形拼成一个新的矩形,如图3所示,则新矩形的周长为_______________.
先化简再求值:(4a2-3a)-(2a2+a-1)+(2-a2-4a),其中a=-2.
已知+(y+1)2=0,求6x2y-2(x2y-2xy-2x2)-xy的值.
(题文)若“ω”是新规定的某种运算符号,设aωb=3a﹣2b,
(1)计算:(x2+y)ω(x2﹣y)
(2)若x=﹣2,y=2,求出(x2+y)ω(x2﹣y)的值.
按下列程序计算:
(1)填写表内的空格:
输入x
3
2
-2
…
输出答案
(2)你发现的规律是_____________________________________________;
(3)说明你发现的规律的正确性.
在计算代数式的值,其中时,甲同学把错抄成,但他计算的结果是正确的.试说明理由,并求出这个结果.
一个长方形的一边长为3m2+2mn+n2,与它相邻的另一边比它长m2﹣mn﹣4n2,求这个长方形的周长.
A和B两家公司都准备向社会招聘人才,两家公司招聘条件基本相同,只有工资待遇有如下差异:A公司,年薪一万元,每年加工龄工资200元;B公司,半年薪五千元,每半年加工龄工资50元.从收入的角度考虑,员工选择哪家公司有利?
的算术平方根为( )
A. B. C. D.