22.(17分)

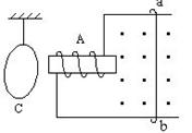
   (1)如图5所示, 一个足够长的平行光滑导轨, 竖直放在匀强磁场中, 磁场方向垂直纸面向里。导体ab从静止开始沿导轨滑下, 且回路电阻除R外都忽略不计。

    a)为了使ab的收尾速度减一半, 可以采用下列哪些方法?(      )

    A.将ab质量减一半而长度不变;

    B.将电阻R减一半;

    C.将磁感应强度B增为原来的倍;

    D.将电阻R增一倍;

    b)为了使ab的收尾电流加一倍, 可以采用下列哪些方法?(    )

    A.将ab长度减一半而质量不变;

    B.将电阻R减一半;

    C.将磁感应强度B减一半;

    D.将磁感应强度B增一倍

    c)为了电流达到收尾值时R的热功率增加一倍, 可以采用下列哪些方法?(     )

    A.将ab质量增加一倍而长度不变;

    B.将ab长度减为原来的1/而质量不变;

    C.将电阻R增大一倍;

    D.将磁感应强度B减一半

(2)如图所示,用以下器材测量一待测电阻Rx的阻值(900~1000Ω): A.电源E,具有一定内阻,电动势约为9.0V; B.电压表V1,量程为1.5V,内阻r1=750Ω; C.电压表V2,量程为5V,内阻r2=2500Ω; D.滑动变阻器R,最大阻值约为100Ω; E.单刀单掷开关K,导线若干

 ①测量中要求电压表的读数不小于其量程的1/3,试画出测量电阻Rx的一种实验电路原理图(原理图中的元件要用题图中相应的英文字母标注);

②根据你所画的电路原理图在题给的实物图上画出连线;

③若电压表V1的读数用U1表示,电压表V2的读数用U2表示,则由已知量和测得量表示Rx的公式为Rx=    

 0  129574  129582  129588  129592  129598  129600  129604  129610  129612  129618  129624  129628  129630  129634  129640  129642  129648  129652  129654  129658  129660  129664  129666  129668  129669  129670  129672  129673  129674  129676  129678  129682  129684  129688  129690  129694  129700  129702  129708  129712  129714  129718  129724  129730  129732  129738  129742  129744  129750  129754  129760  129768  447348 

违法和不良信息举报电话:027-86699610 举报邮箱:58377363@163.com

精英家教网