用油膜法估测油酸分子的大小,实验器材有:体积分数(含油酸体积与油酸酒精溶液总体积比)为c的油酸酒精溶液、最小刻度为0.1 mL的量筒,盛有适量清水的45×50 cm的浅盘.痱子粉、橡皮头滴管、玻璃板、彩笔、坐标纸.
(1)下面是主要实验步骤.请补全所缺步骤
a.用滴管将体积分数为c的油酸酒精溶液一滴一滴的滴入量筒中,记下滴入油酸酒精溶液的体积为V时的滴数N;
b.将痱子粉均匀撒在浅盘内的水面上,用滴管吸取体积分数为c的油酸酒精溶液,从低处向水面中央一滴一滴的滴入,直到稳定的油酸薄膜有足够大的面积而又不与器壁接触时为止,记下滴入的滴数n;
c________;
d.将画有油酸薄膜的玻璃板放在坐标纸上计算轮廓内正方形的个数,算出油酸薄膜的面积S.
(2)用已知量和测得量表示单个油酸分子的直径为________.
某同学在做“用双缝干涉测定光的波长”的实验时,第一次分划板中心刻度线对齐第2条亮纹的中心时(如图甲中的A),20分度游标卡尺的示数如图乙所示,第二次分划板中心刻度线对齐第6条亮纹的中心时(如图丙中的B),20分度游标卡尺的示数如图丁所示.已知双缝间距d=0.5 mm,双缝到屏的距离l=1 m,则:
(1)图乙中游标卡尺的示数为________mm.
(2)图丁中游标卡尺的示数为________mm.
(3)所测光波的波长为________m(计算结果保留两位有效数字).
Ⅰ.学校开展研究性学习,某研究小组的同学根据所学的光学知识,设计了一个测量液体折射率的仪器,如图所示.在一圆盘上,过其圆心O作两条互相垂直的直径BC、EF,在半径OA上,垂直盘面插下两枚大头针P1、P2,并保持P1、P2位置不变,∠AOF=30°,每次测量时让圆盘的下半部分竖直进入液体中,而且总使得液面与直径BC相平,EF作为界面的法线,而后在图中右上方区域观察P1、P2的像,并在圆周上插上大头针P3,使P3正好挡住P1、P2的像,同学们通过计算,预先在圆周EC部分刻好了折射率的值,这样只要根据P3所插的位置,就可直接读出液体折射率的值,则:
(1)若OP3与OC的夹角为30°,则P3处所对应的折射率的值为________.
(2)图中P3、P4两位置哪一处所对应的折射率的值大?________.
(3)若某种液体的折射率为n=2.5,可以用此仪器进行测量吗?________.
Ⅱ.如图所示为“双棱镜干涉”实验装置,其中S为单色光源,A为一个顶角略小于180°的等腰三角形棱镜,P为光屏.S位于棱镜对称轴上,屏与棱镜底边平行.调节光路,可在光屏上观察到干涉条纹.这是由于光源S发出的光经棱镜作用后,相当于在没有棱镜时,两个分别位于图S1和S2位置的相干光源所发出的光的叠加.(S1和S2的连线与棱镜底边平行)已知S1和S2的位置可由其他实验方法确定,类比“双缝干涉测波长”的实验,可以推测出若要利用“双棱镜干涉”测量光源S发出的单色光的波长时,需要测量的物理量是________、________和________.
小胡同学在学习了圆周运动的知识后,设计了一个课题,名称为:快速测量自行车的骑行速度.
他的设想是:通过计算踏脚板转动的角速度,推算自行车的骑行速度.
如上图所示是自行车的传动示意图,其中Ⅰ是大齿轮,Ⅱ是小齿轮,Ⅲ是后轮.当大齿轮Ⅰ(脚踏板)的转速通过测量为n(r/s)时,则大齿轮的角速度是________rad/s.若要知道在这种情况下自行车前进的速度,除需要测量大齿轮Ⅰ的半径r1,小齿轮Ⅱ的半径r2外,还需要测量的物理量是________.用上述物理量推导出自行车前进速度的表达式为:________.
如图所示的器材可用来研究电磁感应现象及判定感应电流的方向.
(1)
在给出的实物图中,用笔画线代替导线将实验仪器连成完整的实验电路.
(2)
连好电路后,若将线圈L1插入线圈L2中,灵敏电流计的指针向左偏转,若要使灵敏电流计的指针向右偏转,可采取的实验操作是
A.
插入铁芯F
B.
拔出线圈L1
C.
变阻器的滑片向左滑动
D.
断开电键S瞬间
张明同学做“用单摆测重力加速度”实验
用主尺最小分度为1 mm,游标上有20个分度的卡尺测量金属球的直径,结果如图所示,可以读出此金属球的直径为________mm.
在实验中改变几次摆长L,测出相应的周期T,从而得出一组对应的L与T的数值,再以L为横坐标,T2为纵坐标,将所得数据连成直线如图所示,则测得的重力加速度g=________.(π2≈9.86)
(3)
第(2)小问中,图线不过原点的原因是________.
(4)
他实验测得的g值偏大,可能的原因是
测摆线长时摆线拉得过紧
摆线上端未牢固地系于悬点,振动中出现了松动,使摆线长度增加了
开始计时时,秒表提前按下
实验中误将49次全振动数为50次
在做“研究平抛运动”的实验中,为了确定小球在不同时刻在空中所通过的位置,实验时用了如图所示的装置.
先将斜槽轨道的末端调整水平,在一块平整的木板表面钉上白纸和复写纸.将该木板竖直立于水平地面上,使小球从斜槽上紧靠挡板处由静止释放,小球撞到木板并在白纸上留下痕迹A;将木板向远离槽口平移距离x,再使小球从斜槽上紧靠挡板处由静止释放,小球撞在木板上得到痕迹B;又将木板再向远离槽口平移距离x,小球再从斜槽上紧靠挡板处由静止释放,再得到痕迹C.
若测得木板每次移动距离x=10.00 cm,A、B间距离y1=5.02 cm,B、C间距离y2=14.82 cm.请回答以下问题(g=9.80 m/s2)
(1)为什么每次都要使小球从斜槽上紧靠挡板处由静止释放?________.
(2)根据以上直接测量的物理量来求得小球初速度的表达式为v0=________.(用题中所给字母表示)
(3)小球初速度的值为v0=________m/s.
在“用单摆测定重力加速度”实验中,若均匀小球在垂直纸面的平面内做小幅度的摆动,若悬点到小球顶点的绳长L,小球直径为d,将激光器与传感器左右对准,分别置于摆球的平衡位置两侧,激光器连续向左发射激光束.在摆球摆动过程中,当摆球经过激光器与传感器之间时,传感器接收不到激光信号.将其输入计算机,经处理后画出相应图线.图甲为该装置示意图,图乙为所接收的光信号I随时间t变化的图线,横坐标表示时间,纵坐标表示接收到的激光信号强度,则该单摆的振动周期为________,若保持悬点到小球顶点的绳长L不变,改用直径2d的另一均匀小球进行实验,则图中的t0将________(填“变大”、“不变”或“变小”),则当地的重力加速度大小的计算公式g=________(用上述已知物理量表示)
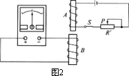
在“研究电磁感应现象”的实验中,首先按图(1)接线,以查明电流表指针的偏转方向与电流方向之间的关系;当闭合S时,观察到电流表指针向左偏,不通电时电流表指针停在正中央.然后按图(2)所示将电流表与副线圈B连成一个闭合回路,将原线圈A、电池、滑动变阻器和电键S串联成另一个闭合电路.
(1)S闭合后,将螺线管A(原线圈)插入螺线管B(副线圈)的过程中,电流表的指针将________偏转.
(2)线圈A放在B中不动时,指针将________偏转.
(3)线圈A放在B中不动,将滑动变阻器的滑片P向左滑动时,电流表指针将
________.偏转.(4)线圈A放在B中不动,突然断开S.电流表指针将________偏转.(填向左、向右、不)