用绳子将一物体吊在电梯天花板上,在下列四种情况中,绳子拉力最大的是
电梯匀速上升
电梯匀速下降
电梯匀加速上升
电梯匀加速下降
关于惯性,下列说法正确的是
静止的物体没有惯性
运动速度越大,物体的惯性越大
加速度越大,物体的惯性越大
物体的惯性大小只与质量有关,与其速度和加速度无关
物体静止在水平桌面上,则
桌面对物体的支持力与物体受到的重力是一对作用力与反作用力
桌面对物体的支持力与物体受到的重力是一对平衡的力
物体对桌面的压力与物体受到的重力是同一性质的力
物体对桌面的压力与桌面对物体的支持力是一对作用力与反作用力
关于曲线运动,下列说法正确的是
曲线运动的速度大小一定变化
曲线运动的速度方向一定变化
曲线运动的加速度一定变化
做曲线运动的物体所受的外力一定变化
关于物体的速度、加速度和力的说法正确的是
速度、加速度、力都是矢量
速度变化的越大,加速度就越大
速度为零时,加速度一定为零
力是维持物体运动的原因
在不需要考虑物体本身的大小和形状时,可以把物体简化为一个有质量的点,即质点.物理学中,把这种在物体原型的基础上,为突出问题的主要方面,忽略次要因素,经过科学抽象而建立起物理模型的方法称为
控制变量法
理想模型法
等效代替法
科学假说法
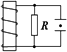
两块水平放置的金属板间的距离为d,用导线与一个n匝线圈相连,线圈电阻为r,线圈中有竖直方向的磁场,电阻R与金属板连接,如图所示,两板间有一个质量为m、电荷量+q的油滴恰好处于静止.则线圈中的磁感应强度B的变化情况和磁通量的变化率分别是
磁感应强度B竖直向上且正增强,=
磁感应强度B竖直向下且正增强,=
磁感应强度B竖直向上且正减弱,=
磁感应强度B竖直向下且正减弱,=
某一实验装置如图所示,在铁芯上绕着两个线圈P和Q,如果线圈P中的电流i随时间t的变化关系有如下图所示的四种情况,则可以在线圈Q中观察到感应电流的是
在纸面内放有一磁铁和一圆线圈,下列情况中能使线圈中产生感应电流的是
将磁铁在纸面内向上平移
将磁铁在纸面内向右平移
将磁铁绕垂直纸面的轴转动
将磁铁的N极转向纸外,S极转向纸内
做简谐运动的物体,当物体的位移为负值时,下面说法正确的是
速度一定为正值,加速度一定为负值,速度一定增加
速度一定为负值,加速度一定为正值,速度一定减小
速度不一定为正值,加速度一定为正值,速度可能减小
速度不一定为负值,加速度一定为正值,速度可能减小