如图所示,水平面上有一物体,小车通过定滑轮用绳子拉它,在图示位置时,若小车的速度为5 m/s,则物体的瞬时速度为________m/s.
一小滑块放在如图所示的凹形斜面上,用力F沿斜面向下拉小滑块,小滑块沿斜面运动了一般距离,若已知在这一过程中拉力F所做的功的大小(绝对值)为A,斜面对滑块的作用力所做的功的大小为B,重力做功的大小为C,空气阻力做功的大小为D.当用这些量表达时,小滑块的动能的改变(指末态动能减去初态动能)等于________.滑块的重力势能的改变等于________;滑块机械能(指动能与重力势能之和)的改变等于________.
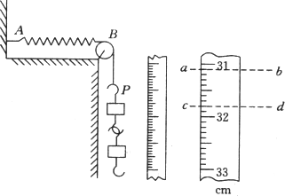
用如图所示的装置测定弹簧的劲度系数.被测弹簧一端固定于A点,另一端B用细绳绕过定滑轮挂钩码,旁边附有一竖直刻度尺,当挂两个钩码时,绳上一定点P对应的刻度线如图中ab虚线所示,再增加一个钩码后,P点对应的刻度线如图中的虚线cd所示.已知每个钩码质量均为50 g,重力加速度g取9.8 m/s2,则被测弹簧的劲度系数为________N/m.
汽车给人类生活带来极大便利,但随着车辆的增多,交通事故也相应增加.重视交通安全问题,关系到千百万人的生命安全与家庭幸福.为了安全,在行驶途中,车与车之间必须保持一定的距离.因为,从驾驶员看见某一情况到采取制动的时间里,汽车仍然要通过一段距离(称为思考距离);而从采取制动到车完全停止的时间里,汽车又要通过一段距离(称为制动距离).下表给出了汽车在不同速度下的思考距离和制动距离等部分数据.请分析这些数据,完成表格.
(作用力与反作用力的关系)在光滑水平面上放一个、测力计,甲、乙分别用100 N的两个力沿水平方向拉测力计的两端,则测力计的读数应为________N.
(二力平衡问题)我国发射“神舟五号”载人飞船,载人舱在将要着陆之前,由于空气阻力作用有一段匀速下落过程.若空气阻力与速度的平方成正比,比例系数为k,载人舱的质量为m,则此过程中载人舱的速度应为________.
在做“验证力的平行四边形定则”实验时,
(1)
除已有的器材(方木板、白纸、弹簧测力计、细绳套、刻度尺、图钉和铅笔)外,还必须有________和________.
(2)
要使每次合力与分力产生相同的效果,则必须
A.
每次将橡皮条拉到同样的位置
B.
每次把橡皮条拉直
C.
每次准确读出弹簧测力计的示数
D.
每次记准细绳的方向
(3)
为了提高实验的准确性,减小误差,实验中应该注意什么?
(4)
在“验证力的平行四边形定则”实验中,某同学的实验结果如图所示,其中A为固定橡皮条的图钉,O为橡皮条与细绳结点的位置.图中________是力F1与F2的合力的理论值;________是力F1与F2的合力的实验值.通过把________和________进行比较,验证平行四边形定则.
在“验证力的平行四边形定则”实验中,需要将橡皮条的一端固定在水平木板上,另一端系上两根细绳,细绳的另一端都有绳套(如图).实验中需用两个弹簧测力计分别勾住绳套,并互成角度地拉橡皮条.某同学认为在此过程中必须注意以下几项:
A.两根细绳必须等长
B.橡皮条应与两绳夹角的平分线在同一直线上
C.在使用弹簧测力计时要注意使弹簧测力计与木板平面平行
其中正确的是________.(填入相应的字母)
(力的作用效果)如图所示表示了力的作用效果.其中图(a)主要表示力能使物体________;图(b)主要表示力能使物体________.
有一批记者乘飞机从上海来到西藏旅游,他们托运的行李与在上海时比较,行李的质量将________(填“变大”“不变”或“变小”);所受重力的大小将________(填“变大”“不变”或“变小”).