一人站在体重计上称体重,保持立正姿式时称得体重为G,当其缓慢地将一条腿平直伸出台面,体重计指针稳定后读数为,则
A.G>
B.G=
C.G<
D.无法确定
下列物体的加速度最大的是
A.加速器中的质子
B.火箭升空
C.地球上自由落体
D.卡车起步
如图所示,是一种测定风作用力的仪器的原理图,它能自动随着风的转向而转向,使风总从图示方向吹向小球P.P是质量为m的金属球,固定在一细长钢性金属丝下端,能绕悬挂点O在竖直平面内转动,无风时金属丝自然下垂,有风时金属丝将偏离竖直方向一定角度θ,角θ大小与风力大小有关,下列关于风力F与θ的关系式正确的是
A.F=mgtanθ
B.F=mgsinθ
C.F=mgcosθ
D.F=mg/cosθ
以下运动物体可以看成质点的是
A.研究汽车通过道路上的斑马线需多少时间可把汽车看作质点
B.研究自行车在公路上行驶速度时的自行车
C.研究地球自转时的地球
D.研究列车通过某座大桥所用时间时的列车
关于速度和加速度的关系,以下说法正确的是
A.物体的速度越大,则加速度也越大
B.物体的速度增加得越大,则加速度越大
C.物体的速度变化越快,则加速度越大
D.物体的速度方向就是加速度的方向
物理公式在确定物理量的数量关系的同时,也确定了物理量的单位关系,因此,国际单位制中选定了几个物理量的单位作为基本单位.下述物理量中,其单位为基本单位的是
A.力
B.质量
C.速度
D.加速度
关于位移和路程下列说法正确的是
A.位移和路程在大小上总是相等,只是位移有方向,是矢量,路程无方向,是标量
B.位移用来描述直线运动,路程可用来描述直线运动和曲线运动
C.位移是矢量,它取决于物体的始末位置;路程是标量,它取决于物体实际通过的路线
D.在研究直线运动时,位移和路程是一回事
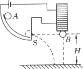
如图所示,在研究平抛运动时,小球沿轨道滑下,离开轨道末端(末端水平)时,撞开轻质拉触式开关S,被电磁铁吸住的小球B同时自由下落.改变整个装置的高度H做同样的实验,发现位于同一高度的A、B两球总时同时落地.该实验现象说明了A球离开轨道后
A.水平方向的分运动是匀速直线运动
B.水平方向的分运动是匀加速直线运动
C.竖直方向的分运动是自由落体运动
D.竖直方向的分运动是匀速直线运动
如图所示,物体在恒力F作用下沿曲线从A运动到B,这时,突然使它受力反向,大小不变,即由F变成-F,若BD为曲线AB在B点的切线方向,则该物体
A.可能沿曲线BE运动
B.可能沿曲线BD运动
C.可能沿曲线BC运动
D.一定是做匀加速运动
关于探究功与物体速度变化的关系实验中,下列叙述正确的是
A.每次实验必须设法算出橡皮筋对小车做功的具体数值
B.每次实验中,橡皮筋拉伸的长度没有必要保持一致
C.放小车的长木板应该尽量使其水平
D.先接通电源,再让小车在橡皮筋的作用下弹出