在测定电流表内阻的实验中,备用的器件有:

A.电流表(量程0100mA)

B.标准电压表(量程05V)

C.电阻箱(阻值范围09999Ω)

D.电阻箱(阻值范围099999Ω)

E.电源(电动势2V,有内阻)F.电源(电动势6V,有内阻)

G.滑动变阻器(阻值范围050Ω,额定电流1.5A);还有若干电键和导线.

(1)如果采用图甲所示电路测定电流表G的内阻,并且要想得到较高的精确度,那么从以上备用的器件中,可变电阻R1应选用________,可变电阻R2应选用________,电源E应选用________(用字母代号填写)

图 甲

(2)如果实验时要进行的步骤有:

A.合上S1

B.合上S2

C.观察R1的阻值是否最大,如果不是,将R1的阻值调至最大;

D.调节R1的阻值,使电流表指针偏转到满刻度;

E.调节R2的阻值,使电流表指针偏转到满刻度的一半;

F.记下R2的阻值.

把以上步骤的字母代号,按实验的合理顺序填写在横线上:________

(3)如果在上述步骤F中,所得R2的阻值为600Ω,则电流表内阻Rg的测量值为________Ω.

(4)如果要将电流表改装为量程05V的电压表,则改装的方法是跟电流表________联一个阻值为_________Ω的电阻.

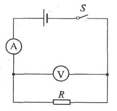
(5)在下列图示器件中,一部分是将电流表改装为电压表所需的,其余是为了把改装后的电压表跟标准表进行核对所需的.画出改装和核对都包括在内的电路图(要求对05V的所有刻度都能在实验中进行核对),将图乙所示器件按以上要求连接成实验电路.

图 乙

 

 0  85083  85091  85097  85101  85107  85109  85113  85119  85121  85127  85133  85137  85139  85143  85149  85151  85157  85161  85163  85167  85169  85173  85175  85177  85178  85179  85181  85182  85183  85185  85187  85191  85193  85197  85199  85203  85209  85211  85217  85221  85223  85227  85233  85239  85241  85247  85251  85253  85259  85263  85269  85277  176998 

违法和不良信息举报电话:027-86699610 举报邮箱:58377363@163.com

精英家教网