如图所示,光滑导体板水平放置,其正上方固定一带正电的点电荷,一带正电的小球以v0的水平初速度从板左端开始向右运动,若小球所带电荷不会传到导体板上,则小球在沿导体板上表面通过导体板的运动过程中所做的运动是________.
如图所示,a、b、c表示点电荷电场中三个等势面,其电势分别为,,,一带电粒子从等势面a上某处由静止释放后,仅受电场力作用而运动,已知它经过等势面b时速率为v,则它经过等势面c时速率为________.
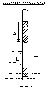
如图所示,用细绳系住试管的封闭端悬挂在天花板上,开口端插入水银槽中,试管内封有两段气体.试管重力为Mg,水银密度为ρ,若试管横截面积为S,h、L已知,则平衡时绳上张力T0=________.
两列振幅、波长和波速都相同的简谐波1和2分别沿x轴的正方向和负方向传播,速度为v=200m/s,在t=0时刻的部分波形如图所示,那么在x轴上坐标为xP=450m的P质点,经最短时间t1出现位移最大值,经最短时间t2出现位移最小值,则t1、t2分别为________s、________s.
下图是记录地震装置的水平摆示意图,摆球m固定在边长L,质量可忽略的等边三角形顶点A处,它的对边BC与坚直线成不大的角θ,摆球可绕固定轴BC摆动,则摆球做微小振动的周期是_________.
一水电站,水流的落差为20m,水流冲击水轮发电机后,水流能20%转化为电能,若发电机的功率为200kW,则每分钟流下的水量是________m3(g取10m/s2)
如图所示,A、B是位于水平桌面上两个质量相等的小木块,离墙壁的距离分别为l1和l2,与桌面之间的动摩擦因数分别为μ1和μ2.今给A以某一初速度,使之从桌面的右端向左运动.假定A、B之间和B与墙之间的碰撞时间很短,且碰撞中无动能损失.若要使木块A最后不从桌面上掉下来,则A的初速度最大不能超过________.
如图所示,质量都是1kg的物体A、B中间用一轻弹簧连接,放在光滑的水平地面上.现使B物体靠在墙上,用力推物体A压缩弹簧.这一过程中外力做功8J.待系统静止后突然撤去外力,从撤去外力到弹簧恢复到原长的过程中墙对B物体的冲量大小为________N·s.当A、B间距离最大时,B物体的速度大小是________m/s.
下图为质量为1kg的物体,以某一初速度在水平面上滑行,其动能随位移变化情况的图像.若取g=10m/s2,则物体与水平面间的动摩擦因数为________,物体总共滑行时间为________.
如图所示,水平传送带AB长1.0m,以v=1m/s的速度匀速转动,把一质量为0.2kg的小物体无初速度地放于传送带上的A点,物体与带间的动摩擦因数为0.5,则在小物体由A到B的传送过程中,传送带对物体所做的功为________J,由于物体与传送带间的摩擦而产生的内能是________J.