降落伞在下落一段时间后的运动是匀速,无风时,某跳伞员着地速度是4m/s,现在由于有沿水平方向向东的风的影响,跳伞员着地的速度变为5m/s,那么风速为________.
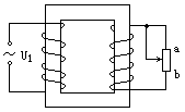
如图所示,理想变压器次级线圈上的负载是一个滑动变阻器,当把滑动片向 a端移动时变压器的输出电压将________,输出功率将________,输入电流将________,输入功率将________.
曲线运动是______(填“匀速”或“变速”)运动,做曲线运动的质点,在曲线上某点的速度方向是___________.
一理想变压器原线圈匝数为1320匝,副线圈60匝,在副线圈上接一个10的电阻,通过它的电流为1A,则原线圈的电压为________V,输入功率为________W.在其它条件不变时,若将副线圈匝数加倍,则原线圈中电流将变为________A.
一理想变压器初级线圈接220V交变电压,次级线圈输出电压为36V.现将初级线圈的匝数减少100匝后,改接200V交变电流,次级线圈匝数不变,通电后,次级线圈电压仍为36V,则变压器现在的初、次级线圈的匝数分别为________匝和________匝.
理想变压器的原线圈匝数为880匝,接在220 V的交流电源上,要想在副线圈两端得到6V的电压副线圈的匝数应为________匝,若在此变压器的副线圈上接有2的电阻,原线圈中的电流为________A.
物体在与速度方向同向的一个逐渐减小的力的作用下,加速度将________,速度将会________.(填增大、减小、不变)
正弦交变电流的瞬时值是i=4sin628t(A),通过R=2纯电阻时,其热功率为_______.