一个小球从空中自由落下,经3.5s落到地面,则小球下落的最后2s内的位移大小是_______m.
声音在均匀介质中是沿________传播的,在传播过程中,遇到障碍物会发生________现象,称之为“回声”,还可能发生________现象,使在障碍物另一侧的人也能听到声音;声音从一种介质进入另一种介质时,要发生________现象,发生这种现象时,声波的________不变,________和________改变.歌唱家不用麦克风可以使剧场内的听众听到嘹亮的歌声,这是因为他们很好地利用了声音的________现象.
如图所示,为两个相干波源,图中实线表示波峰,虚线表示波谷,它们都是分别以为圆心的同心圆弧.在a、b、c、d四点中,振动加强的点是________,振动减弱的点是________.
一列波的波速为30m/s,振源每分钟做300次全振动,则它的频率是________Hz,周期是________s.波长是________m.
如图所示是一列沿x轴正方向传播的简谐横波在某时刻的图像,这列横波的振幅是________m,波长是________m,质点P在此刻的运动方向是______________.
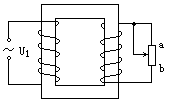
如图所示,理想变压器次级线圈上的负载是一个滑动变阻器,当把滑动片向 a端移动时变压器的输出电压将________,输出功率将________,输入电流将________,输入功率将________.
如图所示,某一交变电流随时间的变化图线,它的电流的最大值=_____A,电流的有效值I=_____A.交变电流的周期T=____s,频率f=_____Hz,交变电流的瞬时表达式i=_______________(A).
有一理想变压器的原副线圈的匝数分别为,在变压器正常工作时,通过原副线圈的磁通量之比=_______,原副线圈电流的频率之比为=________,原副线圈电流之比=_______,电压之比=_______,输出功率与输入功率之比=_______.
一理想变压器原线圈匝数为1320匝,副线圈60匝,在副线圈上接一个10的电阻,通过它的电流为1A,则原线圈的电压为________V,输入功率为________W.在其它条件不变时,若将副线圈匝数加倍,则原线圈中电流将变为________A.
理想变压器的原线圈匝数为880匝,接在220 V的交流电源上,要想在副线圈两端得到6V的电压副线圈的匝数应为________匝,若在此变压器的副线圈上接有2的电阻,原线圈中的电流为________A.