一物体由静止开始做匀加速直线运动,它在第3s内的位移是L,则
[ ]
A.它的加速度是2L/9
B.它在ns内的位移是0.2n2L
C.它在第ns内的位移是0.2(2n-1)L
D.它在ns内平均速度是0.2nL
如图所示,完全相同的三木块并排地固定在水平面上,一颗子弹以速度水平射入.若子弹在木块中做匀减速运动且穿过第三块木块后速度恰好为零,则子弹依次射入每块木块时的速度比和穿过每块木块所用时间比分别是
A.∶∶=3∶2∶1
B.∶∶=∶∶
C.∶∶=1∶∶
D.∶∶=(-)∶(-)∶1
物体沿一直线运动,在t时间内通过的路程为s.它在中间位置s/2处的速度为,在中间时刻t/2时的速度为,则和的关系为
A.当物体做匀加速直线运动时,>
B.当物体做匀减速直线运动时,>
C.当物体做匀速直线运动时,=
D.当物体做匀减速直线运动时,<
物体从静止开始做匀变速直线运动,第3s内通过的位移为3m,则
A.物体在前3s的位移为6m
B.物体在3s末的速度为3.6m/s
C.物体在前3s的平均速度为2m/s
D.物体在第3s内的平均速度为3m/s
一个多匝的闭合圆环形线圈,处于与线圈平面垂直的匀强磁场中。由于磁场的磁感强度不断地均匀增大,使线圈中产生感应电流,现在为了使线圈中的感应电流减半,可行的办法有:保持其它条件不变
A.将线圈的匝数减半 B.将线圈的半径减半
C.将磁感强度对时间的变化率减半 D.使线圈绕某一直径转过60°
将力F分解为F1、F2两个分力,如已知F1的大小及F2与F的夹角,且<90°,则下列说法正确的是
A.当F1>Fsin时,则F2一定有两个解
B.当F>F1>Fsin时,则F2一定有两个解
C.当F1=Fsin时,则F2有惟一解
D.当F1<Fsin时,则F2无解
大小分别为N和10N的两个力F1和F2,已知两力的合力与F1夹角30°,则合力F的大小及F2与F1的夹角分别为
A.F=10N,=150°
B.F=20N,=90°
C.F=20N,=30°
D.F=10N,=30°
A. 若一质子以速度v射入该区域, 质子将会偏转
B. 带电粒子无论带何种电, 只要以同样速度v入射, 都不会发生偏转
C. 若电子的入射速度v'>v, 方向不变, 它将向下偏转作类似平抛运动
D. 若电子的入射速度v'<v, 方向不变, 它将向上偏转
A. 在最低点处, 球b对轨道压力最大
B. 在最低点处, 球c对轨道压力最大
C. 从最高点滑至K点, 球b需时最长
D. 从最高点滑至K点, 球a需时最短
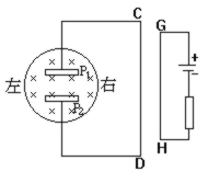
A. 等离子体从右方射入时,CD受力的方向背离GH
B. 等离子体从右方射入时,CD受力的方向指向GH
C. 等离子体从左方射入时,CD受力的方向背离GH
D. 等离子体从左方射入时,CD受力的方向指向GH