一小球被细线拴着做匀速圆周运动,其半径为R,向心加速度为a,则
[ ]
A.小球相对于圆心的位移不变
B.小球的线速度为
C.小球在时间t内通过的路程为
D.小球做圆周运动的周期T=
A、B、C三个物体放在旋转圆台上,最大静摩擦因数为,A的质量为2m,B、C质量均为m,A、B离轴2R,C离轴2R,则当圆台旋转时
A.C物的向心加速度最大
B.B物的静摩擦力最小
C.当圆台转速增加时,C比A先滑动
D.当圆台转速增加时,B比A先滑动
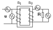
A. A1读数为0.05A B. V1读数为311V
C. A2读数为0.5A D. V2读数为31.1V
有一个正在工作的理想变压器, 现在要使它的输入功率变为原来的2倍, 可以采取下列哪一种措施(其他条件保持不变)
A. 初级线圈匝数n1变为原来的2倍
B. 次级线圈匝数n2变为原来的2倍
C. 负载电阻R的阻值变为原来的
D. n2和R都变为原来的2倍
关于匀速圆周运动的角速度与线速度,下列说法中正确的是
A.半径一定,角速度与线速度成反比
B.半径一定,角速度与线速度成正比
C.线速度一定,角速度与半径成反比
D.角速度一定,线速度与半径成正比
A. 增大R的阻值 B. 减小R的阻值
C. 增大副线圈匝数n2 D. 减小原线圈的匝数n1
如图所示的皮带传动装置,皮带轮O和上的三点A、B、C,OA==r,=2r.则皮带轮转动时,A、B、C三点的运动情况是
A.=> B.=,>
C.=,> D.>,=
在地球上,甲站在赤道处,乙站在北纬60°处,则关于甲、乙两人的运动情况,有
A.角速度相同
B.线速度相同
C.线速度大小:=1:2
D.线速度大小:=2:1
A. 使输入电压减少到原来输入电压U1的1/4倍
B. 使副线圈匝数减少到原来副线圈n2的1/2倍
C. 使负载电阻增加到原来负载电阻R的4倍
D. 使负载电阻减少到原来负载电阻R的1/4倍
A. 换用电阻较R小的用电器 B. 换用电阻较R大的用电器
C. 多并联一个用电器 D. 多串联一个用电器