I.在《探究求合力的方法》的实验中,下列说法正确的是(    )

A.用三个已校好的弹簧秤才能完成此实验

B.用两个校好的弹簧秤就可以完成此实验

C.用一个校好的弹簧秤也能完成此实验

D.实验中弹簧秤的外壳与纸面间的摩擦将会影响实验的结果

II.在实验室,小叶同学想测出某种材料的电阻率。

由于不知是何种材料,也不知其大约阻值,于是,他用多用电表先粗测该材料一段样品的电阻,经正确操作后,用“×100W”档时发现指针偏转情况如图所示,则他应该换用   

档(填“×10W”或“×1k”)重新测量。换档后,在测量前先要              

Ⅲ.(1)要测出II中所给材料样品的电阻率,必须精确测出该段样品的阻值。除了导线和开关外,实验室还备有以下器材可供选用:

电流表A1,量程1A,内阻r1约0.5Ω

电流表A2,量程30mA,内阻r2约200Ω

电压表V1,量程6V,内阻RV1等于20kΩ

电压表V2,量程10V,内阻RV2约30kΩ

滑动变阻器R1,0~20Ω,额定电流2A

滑动变阻器R2,0~2000Ω,额定电流1mA

电源E(电动势为12 V,内阻r约2Ω)     

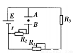
请选择合适的器材,设计出便于精确测量的电路图画在方框中。

其中滑动变阻器应选           

(2)若选用其中一组电表的数据,设该段圆柱形材料的长为L,直径为d,由以上实验得出这种材料电阻率的表达式为                ,式中符号的含义为          

 

 0  77457  77465  77471  77475  77481  77483  77487  77493  77495  77501  77507  77511  77513  77517  77523  77525  77531  77535  77537  77541  77543  77547  77549  77551  77552  77553  77555  77556  77557  77559  77561  77565  77567  77571  77573  77577  77583  77585  77591  77595  77597  77601  77607  77613  77615  77621  77625  77627  77633  77637  77643  77651  176998 

违法和不良信息举报电话:027-86699610 举报邮箱:58377363@163.com

精英家教网