平行板电容器C与三个可变电阻器R1、R2、R3以及电源连成如图所示的电路。闭合开关S待电路稳定后,电容器C两极板带有一定的电荷。要使电容器所带电荷量增加,以下方法中可行的是
A.只增大R1,其他不变
B.只增大R2,其他不变
C.只减小R3,其他不变
D.只增大a、b两极板间的距离,其他不变
如图所示,质量相同的两个带电粒子P、Q以相同的速度沿垂直于电场方向射入两平行板间的匀强电场中,P从两极板正中央射入,Q从下极板边缘处射入,它们最后打在上极板的同一点上(带电粒子的重力不计)。则从开始射入到打到上极板的过程中
A.它们运动的时间tQ>tP
B.它们运动的加速度aQ<aP
C.它们所带的电荷量之比qP∶qQ=1∶2
D.它们的动能增加量之比ΔEkP∶ΔEkQ=1∶2
一个灵敏电流计,内阻Rg=100Ω,满偏电流Ig=3mA,把它改装成量程为3V的电压表,需________联一个______Ω的电阻。学
用螺旋测微器(千分尺)测金属导线的直径,其示数如甲图所示,该金属导线的直径为 mm。
使用多用电表的欧姆挡测电阻时,用“”挡测量一个电阻的阻值,发现表针偏转角度极小,正确的判断和做法是( )
A.被测电阻值很大
B.被测电阻值很小
C.为了把电阻值测得更准一些,应换用“”挡,重新欧姆调零后再测量
D.为了把电阻值测得更准一些,应换用“”挡,重新欧姆调零后再测量
有一电阻值约为20Ω、额定功率约为7.2W的电阻,现准备用伏安法测量多组数据,借助I-U图象较准确地测其阻值(电阻两端电压需从零开始逐渐增大),实验室提供的器材有:[来源:学#科#网
A. 电流表(量程0-3A,内阻约0.1Ω)
B. 电流表(量程0-0.6A,内阻约0.5Ω)
C. 电压表(量程0-3V,内阻约3kΩ)
D. 电压表(量程0-15V,内阻约15kΩ)
E. 滑动变阻器(阻值0-10Ω,额定电流2A)
F. 直流电源(电动势12V,内阻不计)
G. 开关及导线若干
1.要使测量误差尽量的小,电流表应选择 ____,电压表应选择 ___ 。(填序号字母)
2.请按实验要求完成测量电路的实物连接。
[来源:ZXXK]
在如图所示的电路中,R1是由某金属氧化物制成的导体棒,实验证明通过它的电流I和它两端的电压U遵循I=kU3的规律(式中k=0.02A/V3),R2是普通电阻,阻值为24Ω,遵循欧姆定律,电源电动势E=6V,闭合开关S后,电流表的示数为0.16A。试求:
1.R1两端的电压;
2.电源的内电阻r;
3.R1、R2和r上消耗的电功率P1、P2和Pr。
如图所示,电源的电动势E=10V,内电阻r=1Ω,电容器的电容C=40μF,定值电阻R1=R2=4Ω,R3=5Ω。当接通开关S,待电路稳定后,试求:
1.理想电压表V的示数;
2.电容器所带的电荷量。
带电小球的质量为m,当匀强电场方向水平向右时,小球恰能静止在光滑圆槽形轨道的A点,图中角θ=30°,如图所示,当将电场方向转为竖直向下时(保持匀强电场的电场强度大小不变),求小球从A点起滑到最低点时对轨道的压力
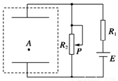
在如图所示的装置中,电源电动势为E,内阻不计,定值电阻为R1,滑动变阻器总电阻为R2,置于真空中的平行板电容器水平放置,极板间距为d。处在电容器中的油滴A恰好静止不动,此时滑动变阻器的滑片P位于R2的中点位置。
1.求此时电容器两极板间的电压;
2.确定该油滴的带电电性以及油滴所带电荷量q与质量m的比值;
3.现将滑动变阻器的滑片P由中点迅速向上滑到某位置,使电容器上的电荷量变化了Q1,油滴运动时间为t,再将滑片从该位置迅速向下滑动到另一位置,使电容器上的电荷量又变化了Q2,当油滴又运动了2t的时间时,恰好回到原来的静止位置。设油滴在运动过程中未与极板接触,滑动变阻器滑动所用时间与电容器充电、放电所用时间均忽略不计。则两次电荷量的变化量Q1与Q2的比值为多少?