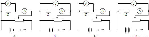
影响物质材料电阻率的因素很多,一般金属材料的电阻率随温度的升高而增大,而半导体材料的电阻率则与之相反,随温度的升高而减少.某课题研究组需要研究某种导电材料的导电规律,他们用该种导电材料制作成电阻较小的线状元件Z做实验,测量元件Z中的电流随两端电压从零逐渐增大过程中的变化规律.

(1)他们应选用下图所示的哪个电路进行实验?答: .

(2)按照正确的电路图连接图1的实物图.
(3)实验测得元件Z的电压与电流的关系如下表所示.根据表中数据,判断元件Z是金属材料还是半导体材料?答: .
(4)把元件Z接入如图2所示的电路中,当电阻R的阻值为R1=2Ω时,电流表的读数为1.25A;当电阻R的阻值为R2=3.6Ω时,电流表的读数为0.80A.结合上表数据,求出电池的电动势为 V,内阻为 Ω.(不计电流表的内阻,结果保留两个有效数字)
(5)用螺旋测微器测得线状元件Z的直径如图3所示,则元件Z的直径是 mm.
0 71203 71211 71217 71221 71227 71229 71233 71239 71241 71247 71253 71257 71259 71263 71269 71271 71277 71281 71283 71287 71289 71293 71295 71297 71298 71299 71301 71302 71303 71305 71307 71311 71313 71317 71319 71323 71329 71331 71337 71341 71343 71347 71353 71359 71361 71367 71371 71373 71379 71383 71389 71397 176998
(1)他们应选用下图所示的哪个电路进行实验?答: .
(2)按照正确的电路图连接图1的实物图.
(3)实验测得元件Z的电压与电流的关系如下表所示.根据表中数据,判断元件Z是金属材料还是半导体材料?答: .
| U(V) | 0.40 | 0.60 | 0.80 | 1.00 | 1.20 | 1.50 | 1.60 | |
| I(A) | 0.20 | 0.45 | 0.80 | 1.25 | 1.80 | 2.81 | 3.20 |
(5)用螺旋测微器测得线状元件Z的直径如图3所示,则元件Z的直径是 mm.