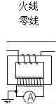
利用如图1所示的电路测定电源的电动势和内电阻,提供的器材有

(A)干电池两节,每节电池的电动势约为1.5V,内阻未知
(B)直流电压表V1、V2,内阻很大
(C)直流电流表A,内阻可忽略不计
(D)定值电阻R,阻值未知,但不小于5Ω
(E)滑动变阻器
(F)导线和开关
(1)甲同学利用该电路完成实验时,由于某根导线发生断路故障,因此只记录了一个电压表和电流表的示数,如表所示:
试利用表格中的数据作出U-I图,由图象可知,该同学测得两节干电池总的电动势值为 V,总内阻为 Ω.由计算得到的数据可以判断能够正确示数的电压表应为表 (选填“V1”或“V2”).
(2)乙同学在找出断路的导线并调换好的导线后,连接该电路继续实验时,由于电流表发生短路故障,因此只能记下两个电压表的示数,该同学利用表中的数据,以表V1的示数U1为横坐标、表V2的示数U2为纵坐标作图象,也得到一条不过原点的直线,已知直线的斜率为k,截距大小为b,则两节干电池总的电动势大小为 ,两节干电池的总内阻 (选填“可以”或“不可以”)求出.
0 70549 70557 70563 70567 70573 70575 70579 70585 70587 70593 70599 70603 70605 70609 70615 70617 70623 70627 70629 70633 70635 70639 70641 70643 70644 70645 70647 70648 70649 70651 70653 70657 70659 70663 70665 70669 70675 70677 70683 70687 70689 70693 70699 70705 70707 70713 70717 70719 70725 70729 70735 70743 176998
(A)干电池两节,每节电池的电动势约为1.5V,内阻未知
(B)直流电压表V1、V2,内阻很大
(C)直流电流表A,内阻可忽略不计
(D)定值电阻R,阻值未知,但不小于5Ω
(E)滑动变阻器
(F)导线和开关
(1)甲同学利用该电路完成实验时,由于某根导线发生断路故障,因此只记录了一个电压表和电流表的示数,如表所示:
| U/V | 2.62 | 2.48 | 2.34 | 2.20 | 2.06 | 1.92 |
| I/A | 0.08 | 0.12 | 0.19 | 0.20 | 0.24 | 0.28 |
(2)乙同学在找出断路的导线并调换好的导线后,连接该电路继续实验时,由于电流表发生短路故障,因此只能记下两个电压表的示数,该同学利用表中的数据,以表V1的示数U1为横坐标、表V2的示数U2为纵坐标作图象,也得到一条不过原点的直线,已知直线的斜率为k,截距大小为b,则两节干电池总的电动势大小为 ,两节干电池的总内阻 (选填“可以”或“不可以”)求出.