(Ⅰ) 如图,把弹簧测力计的一端固定在墙上,用力F水平向左拉金属板,金属板向左运动,此时测力计的示数稳定(图中已把弹簧测力计的示数放大画出),则物块P受到的金属板的滑动摩擦力的大小是 N,方向为 .弹簧测力计测得物块P重13N,根据表中给出的动摩擦因数,可推算出物块P的材料为

(Ⅱ)为了测定某迭层电池的电动势(约15V)和内电阻(小于2Ω),需要把一个量程为6V的直流电压表接一个固定电阻(用电阻箱代替),改装成量程为18V的电压表,然后用伏安法测电池的电动势和内电阻,以下是该实验的操作过程:
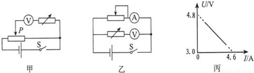
(1)把电压表量程扩大,实验电路如图甲所示,请完成第五步的填空.
第一步:把滑动变阻器滑动片移到最右端
第二步:把电阻箱阻值调到零
第三步:闭合开关
第四步:把滑动变阻器滑动片调到适当位置,使电压表读数为6V
第五步:把电阻箱阻值调到适当值,使电压表读数为 V
第六步:不再改变电阻箱阻值,保持电压表和电阻箱串联,撤去其他线路,即得量程为18V的电压表

(2)上述实验可供选择的器材有:
A.迭层电池(电动势约15V,内电阻小于2Ω)
B.电压表(量程为6V,内阻约10KΩ)
C.电阻箱(阻值范围0~9999Ω,额定功率小于10W)
D.电阻箱(阻值范围0~99999Ω,额定功率小于10W)
E.滑动变阻器(阻值为0~20Ω,额定电流为2A)
F.滑动变阻器(阻值为0~2KΩ,额定电流为0.2A)
电阻箱应选 ,滑动变阻器应选 (用器材前的序号表示)
(3)用扩大了量程的电压表(电压表的表盘没变),使用如图乙所示的实验电路,测量该迭层电池的电动势E和内电阻r.改变滑动变阻器的阻值,记录电压表示数,得到多组电压U和电流I的值,并作出U-I图象如图丙所示.可知电池的电动势为 V,内电阻为 Ω(保留三位有效数字)
0 70497 70505 70511 70515 70521 70523 70527 70533 70535 70541 70547 70551 70553 70557 70563 70565 70571 70575 70577 70581 70583 70587 70589 70591 70592 70593 70595 70596 70597 70599 70601 70605 70607 70611 70613 70617 70623 70625 70631 70635 70637 70641 70647 70653 70655 70661 70665 70667 70673 70677 70683 70691 176998
| 材料 | 动摩擦因数 |
| 金属-金属 | 0.25 |
| 橡胶-金属 | 0.30 |
| 木头-金属 | 0.20 |
| 皮革-金属 | 0.28 |
(1)把电压表量程扩大,实验电路如图甲所示,请完成第五步的填空.
第一步:把滑动变阻器滑动片移到最右端
第二步:把电阻箱阻值调到零
第三步:闭合开关
第四步:把滑动变阻器滑动片调到适当位置,使电压表读数为6V
第五步:把电阻箱阻值调到适当值,使电压表读数为 V
第六步:不再改变电阻箱阻值,保持电压表和电阻箱串联,撤去其他线路,即得量程为18V的电压表
(2)上述实验可供选择的器材有:
A.迭层电池(电动势约15V,内电阻小于2Ω)
B.电压表(量程为6V,内阻约10KΩ)
C.电阻箱(阻值范围0~9999Ω,额定功率小于10W)
D.电阻箱(阻值范围0~99999Ω,额定功率小于10W)
E.滑动变阻器(阻值为0~20Ω,额定电流为2A)
F.滑动变阻器(阻值为0~2KΩ,额定电流为0.2A)
电阻箱应选 ,滑动变阻器应选 (用器材前的序号表示)
(3)用扩大了量程的电压表(电压表的表盘没变),使用如图乙所示的实验电路,测量该迭层电池的电动势E和内电阻r.改变滑动变阻器的阻值,记录电压表示数,得到多组电压U和电流I的值,并作出U-I图象如图丙所示.可知电池的电动势为 V,内电阻为 Ω(保留三位有效数字)