一组同学用DIS研究“弹簧振子的振动周期和哪些因素有关”的探究过程如下:
A.有同学认为:弹簧振子的质量越大,惯性越大,周期也应该越大.也有同学认为周期跟劲度系数有关.
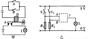
B.设计实验:装置如图甲.准备选用的器材有:力传感器、质量为m的钩码若干个,劲度系数为K的轻质弹簧若干个(已知n个劲度系数为K的弹簧串联后的劲度系数为
)
C.实验过程如下:
用力将钩码向下拉一段距离后放手,钩码上下振动,力传感器上显示出力随时间的变化关系(如图乙),改变钩码的个数或用几个弹簧串联后反复实验,得到表一、表二的数据:
D.同学们对实验数据进行分析、归纳后,对他们的假设进行了补充完善.问:
(1)上述科学探究活动中,属于“制定计划”和“搜集证据”的环节分别是:______、______.
(2)用力传感器观测力随时间的变化关系,其目的是:______.
(3)周期T与弹簧振子质量的关系是:______.周期T与弹簧劲度系数的关系是:______.
(4)如果
,则周期表达式T=______
0 69524 69532 69538 69542 69548 69550 69554 69560 69562 69568 69574 69578 69580 69584 69590 69592 69598 69602 69604 69608 69610 69614 69616 69618 69619 69620 69622 69623 69624 69626 69628 69632 69634 69638 69640 69644 69650 69652 69658 69662 69664 69668 69674 69680 69682 69688 69692 69694 69700 69704 69710 69718 176998
A.有同学认为:弹簧振子的质量越大,惯性越大,周期也应该越大.也有同学认为周期跟劲度系数有关.
B.设计实验:装置如图甲.准备选用的器材有:力传感器、质量为m的钩码若干个,劲度系数为K的轻质弹簧若干个(已知n个劲度系数为K的弹簧串联后的劲度系数为
C.实验过程如下:
用力将钩码向下拉一段距离后放手,钩码上下振动,力传感器上显示出力随时间的变化关系(如图乙),改变钩码的个数或用几个弹簧串联后反复实验,得到表一、表二的数据:
| 表 一 | 仅用一根弹簧 | 研究周期与质量关系 | ||
| 钩码的质量 | m | 2m | 3m | |
| 周期(s) | 0.645 | 0.915 | 1.116 | |
| 表 二 | 仅用一个钩码 | 研究周期与劲度系数关系 | ||
| 弹簧的个数(串数) | 1 | 2 | 3 | |
| 劲度系数(N/m) | K | K/2 | K/3 | |
| 周期(s) | 0.645 | 0.910 | 1.120 | |
(1)上述科学探究活动中,属于“制定计划”和“搜集证据”的环节分别是:______、______.
(2)用力传感器观测力随时间的变化关系,其目的是:______.
(3)周期T与弹簧振子质量的关系是:______.周期T与弹簧劲度系数的关系是:______.
(4)如果