(1)某电压表的内阻存20-50kΩ之间,现要测量其内阻,实验室提供下列可供选用的器材:
待测量电压表
(量程3V)电流表A1(量程200μA)
电流表A2(量程5mA)电流表A3(量程0.6A)
滑动变阻器R(最大阻值1kΩ)
①所提供的电流表中,应选用______(填写字母代号)
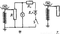
②为了尽量减少误差,要求测多组数据,试在如图1所示方框中划出符合要求的实验电路图(其中电源和电建及其连线已画出).
③下面是对测量数据记录和进行处理所设计的两个表格,其中正确的是______
表一:
表二:
(2)如图2所示,用多用电表研究光敏电阻的组织与光照强度的关系.
①应将多用电表的选择开关置于______ 档;
②将红表笔插入______接线孔,黑表笔插入______接线孔.(填“+”或“-”);
③将一光敏电阻接在多用电表两表笔上,用光照射光敏电阻时值镇的偏角为θ,现用手掌挡住部分光线,表针的偏角变为θ′,则可判断θ______θ′(填“>”、“<”或“=”);
④测试后应将选择开关置于______档.
0 68772 68780 68786 68790 68796 68798 68802 68808 68810 68816 68822 68826 68828 68832 68838 68840 68846 68850 68852 68856 68858 68862 68864 68866 68867 68868 68870 68871 68872 68874 68876 68880 68882 68886 68888 68892 68898 68900 68906 68910 68912 68916 68922 68928 68930 68936 68940 68942 68948 68952 68958 68966 176998
待测量电压表
电流表A2(量程5mA)电流表A3(量程0.6A)
滑动变阻器R(最大阻值1kΩ)
①所提供的电流表中,应选用______(填写字母代号)
②为了尽量减少误差,要求测多组数据,试在如图1所示方框中划出符合要求的实验电路图(其中电源和电建及其连线已画出).
③下面是对测量数据记录和进行处理所设计的两个表格,其中正确的是______
表一:
| U(V) | I(A) | R(Ω) | |
| 1 | |||
| 2 | |||
| 3 | |||
| 平均值 |
| U(V) | I(A) | R(Ω) | 平均值R(Ω) | |
| ① | ||||
| ② | ||||
| ③ |
①应将多用电表的选择开关置于______ 档;
②将红表笔插入______接线孔,黑表笔插入______接线孔.(填“+”或“-”);
③将一光敏电阻接在多用电表两表笔上,用光照射光敏电阻时值镇的偏角为θ,现用手掌挡住部分光线,表针的偏角变为θ′,则可判断θ______θ′(填“>”、“<”或“=”);
④测试后应将选择开关置于______档.